Heating and Cooling Options for 1850s Greek Revival New York
Hello Everyone,
I recently purchased an 1850s Greek Revival farmhouse knowing most of the mechanicals in the basement needed to be replaced.
I had a few HVAC companies out to give quotes and quickly learned that no one agreed on the right approach for the house, making comparing quotes difficult.
Instead of replacing the mechanicals 1:1 I want to rethink how the house is heated and cooled.
My friend’s father-in-law, who is a retired plumber, shared this site with me and I wanted to post my situation and get some feedback and advice.
The House
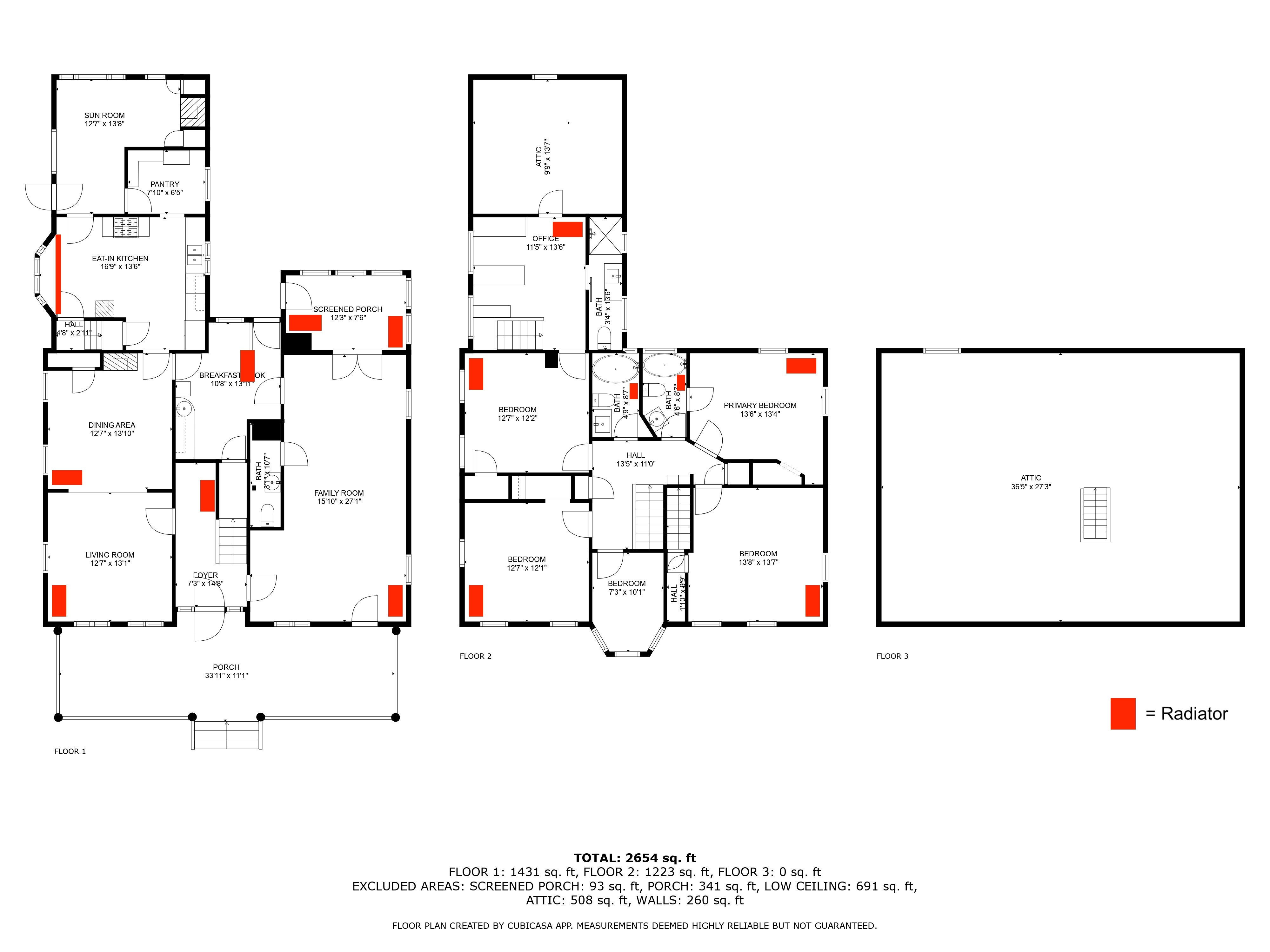
~2,850 square foot 1850s Greek Revival farmhouse in Columbia County, New York.
Main house is two stories with a basement and attic. There is a two-story 1930s extension off the back that has a mudroom and kitchen, with an office and storage on the second floor. No basement or attic over the extension.
At some point in the past the house was split into two units, and there are still two of everything in the basement (boilers, water heaters, well pumps) for the “left” and “right” halves of the house. There are two Nest thermostats that control left and right, both upstairs and down.
Main heating is two oil fueled boilers that heat 15 radiators upstairs and down. One of the boilers is an ancient HB Smith (48 years) and the other is a 10 years old Buderus. The two oil tanks are rusting single-wall units and need to be replaced. There are also two wood stoves, a gas fireplace, and an electric fireplace.
There are two older hot water heaters. The first is 50 gals 27 years old Richmond and the second is 40 gals 18 years old Sears Roebuck.
The previous owners had a few window A/C units in the main bedroom, the office, and one of the living rooms.
Goals
My original goal: to replace the oil tanks with natural gas and install whole-house A/C and humidity control. I have moderate to severe allergies and was also looking into technologies that affect air quality like heat recovery ventilators and HEPA filters.
Originally I thought to take all of the radiators out and install forced air heating and A/C in the attic and basement. I’d seen some old houses do this during my housing search, but almost everyone I talk to advises against taking out the radiators.
The other route is mini-splits but I find these ugly and the installers said I would need a lot of them for the layout of my house. I didn’t get a specific quote but one contractor said it would be north of $100K+.
For what it’s worth, my friend’s father-in-law said he would install Viessmann gas condensing boilers, with one domestic hot water tank, in the basement and leave all the radiators alone, and install a Spacepak system in the attic for A/C in the bedrooms and supplemental heat.
If you read to the end thank you!
Comments
-
Are the rads steam or hot water? Pictures of some, showing both ends.
Is there a full basement? Pictures of existing boilers and piping would be helpful.
You will regret it if you take out the CI rads, house that old will never feel warm with forced air heating system……..also most here will never come visit if you do!
5 -
From a relatively educated homeowner's point of view, I would do the following:
- Definitely convert to natural gas if you can, as you have stated is your plan. This is for me a no-brainer regardless of the boiler or furnace technology you choose. Yank out those oil tanks before they fail and cause an environmental disaster in your basement.
- Keep the hot water radiators. Hot water radiant is a great heating technology. You will be able to re-use the existing piping to the radiators, or if any needs to be replaced, it can be done cheaply and simply with oxygen-barrier pex piping
- Avoid a "high efficiency" boiler. The higher up-front cost, greatly increased maintenance requirements, and shorter lifetime do not make up for the slightly higher efficiency
- Install a cast-iron atmospheric gas boiler. It is dead simple, everyone knows how to keep it running, it requires nearly no maintenance, and it will last for 30 years
- Get a new standalone water heater. Do not fall for suggestions that would use the boiler to heat your domestic hot water. These are complex and require a lot of up-front material and labor cost for no measurable gain, and they "tie" your hot water to your boiler so that if the boiler fails you also lose hot water. You can choose a natural gas one, or my advice is to strongly consider a heat pump water heater which will likely come with attractive incentives from the state and/or utility company
- Check your chimney, you may need a stainless steel liner but it should be an easy install for a chimney professional
Additional edit: You can make your AC unit be a heat pump for marginally more $$ and then you can use it for cost-efficient heating in the autumn and switch over to hot water boiler when it gets cold. This will give you a great backup as well.
NJ Steam Homeowner.
Free NJ and remote steam advice: https://heatinghelp.com/find-a-contractor/detail/new-jersey-steam-help/
See my sight glass boiler videos: https://bit.ly/3sZW1el4 -
I'm with @ethicalpaul — and basically your friend's father-in-law, except that like Paul I'd go with plain vanilla atmospherics rather than fancy condensing units.
Br. Jamie, osb
Building superintendent/caretaker, 7200 sq. ft. historic house museum with dependencies in New England4 -
This.
All Steamed Up, Inc.
Towson, MD, USA
Steam, Vapor & Hot-Water Heating Specialists
Oil & Gas Burner Service
Consulting4 -
Wow! 1850 Greek Revival...I'm very excited for you. You're wise to wade in to this slowly. A gem like this deserves appropriate mechanicals. Mad Dog
5 -
I wouldn't rule out Viessman, or any reputable, Gas fired, Wall-Hung Condensing boilers just yet. If you get the right installer/s, that has experience, and will be the ones servicing it, that option should be fully explored. We have excellent State-of-the-art Oil-fired equipment out there too. You need apples to apples comparisons to make such a decision.
Last, it can often be a rookie mistake to fall prey to the thinking that "one contractor can do it all" for you....that's its "just easier" to have one company handle the plumbing, heating and AC. Mad Dog
5 -
-
Every house I've ever seen that was converted to forced air was a train wreck. Furthermore, why would you want to remove a radiant heating system? The radiant is a premium system. Forced air is for the peasants. Radiators are works of art. Registers are holes in the ground for vermin to crawl in.
The heating system is part of the house. One does not swap an arm or a foot like they are articles of clothing. In the same way, the mechanicals are just as essential to a structure as any architectural detail might be.
I like the advice of your father's friend. That's probably what I would do without knowing all the details. Regarding boilers: there's merit in keeping it simple. But I do like the modulation that comes with the fancier "mod-con" equipment. The modulation makes zoning more practical. The modulation allows the burner to ramp up and down, instead of being just full on or off. I like that because the boiler runs closer to a state of equilibrium with the heat loss of the home.
6 -
Educated homeowner here who recently completed a whole house remodel from bare studs.
Please keep the cast iron radiators. The quality of heat and comfort from these is hard to beat (I had them in a previous house, and I now have radiant floor heat with a wood stove - also nice heat - I would never choose forced air).
If you are doing extensive renovations, consider improvements to the building envelope (insulation and air sealing) to reduce heat loss. This can reduce the size heating system you need by a lot (and reduce fuel cost).
Consider a hot water heat pump for domestic heating. Your cast iron radiators are likely 2-3x oversized and can run with significantly lower temperature water (120 degrees F on your coldest day) and that makes either a geothermal heat pump (somewhat expensive) or a air-source hot water heat pump (less expensive) a viable option if you are ditching the oil system (I second the recommendations from others to get rid of the oil system(s)).
Radiant floor heat is really, really nice, BUT is a lot of work to install and it is hard to find a capable designer and installer (I did this work myself). There is a lot of opportunity for a bad install with radiant floor heating. Plus, you already have cast iron radiators - if I had those already in the house I renovated I would have just used them with my geothermal heat pump instead of installing the radiant floor heating.
New York State (I think) still has some good incentives on heat pump hot water heaters and geothermal heating systems (and maybe air-source heat pump heating systems as well).
3 -
As soon as you need AC, you are installing ducting. This same ducting can also heat the house so keeping the rads you are essentially installing two redundant systems, so about 2x the cost. Since you are not doing a major reno, the answer is a bit more ambiguous, but around me (colder climate with muggy summers) rads always go. If there is snow melt a boiler is put in along with some floor heat but that is about it.
The comfort benefit touted from rads come from the fact that even with oversized equipment they deliver even heat. You can get the same even heat with forced air by selecting RIGHT sized modulating equipment (either fuel burner or heat pumps). As long the vents are correctly placed, there is no comfort difference and ducts free up the floor space of the rads.
In terms of modcon VS regular. Real world fuel cost is about 20%-30%, so does add up. Properly set up modcons (good piping, right reset curve) will be trouble free for many years. BOM cost once you add in condensation protection, controls (modcons come with a lot of free built in controls) and venting is about the same as well.
One thing never to do is install equipment in the attic. Whatever you do, don't put stuff up there no matter how convenient it seems. They are giant energy pigs and are a pain to service. You have a basement, all HVAC equipment should be there.
1 -
I am speaking as a homeowner with a coal stoker boiler for my only heating.
If it were me and as you have 30 radiators and a gravity hot water heating system, I would use a coal stoker boiler. Your home was probably heated using a coal boiler originally too.
- you have a great deal of thermal mass that you can take advantage of to the fullest extent:
- keep the radiators and save better of the 2 oil boilers as a back up boiler and do the following
- install a EFM DF520 dual fuel coal stoker boiler with an internal domestic hot water coil with the existing plumbing so you can use natural gas in the summer months to make hot water.
- you will be able to obtain rice anthracite coal in bag or in bulk easily and heat your home and hot water very economically and the coal stoker boiler will operate for 5 decades or more with regular maintenance.
The home you have apparently uses the radiators in the home as the point of no pressure change by leaving an air charge in each radiator making your heating even more easy and the DF520 could heat even more radiators if you want to add them to add more thermal mass and have a hot water temperature that would stay between 160-170 degrees with slow even heating.
Hot water heating with Anthracite Coal would also help with avoiding allergies; I can state this with the fact that my younger brothers 3 children had asthma and the coal stoker that used for heat helped them a great deal as they no longer had symptoms as the home they lived in used electric baseboard heating.
1 -
Actually, you don't need conventional ducting if you use a high-velocity A/C system. These are great for A/C since they move the air more quickly which makes you feel cooler. But they don't do well for heating since they move the air more quickly which makes you feel cooler.
Radiators heat by radiation as well as convection. Think of the sun- when you're outside and a cloud blocks the sun, you feel cooler- that's radiation. No forced-air system can ever equal this. The increased comfort from radiators means you don't have to turn the thermostat up so far, which saves fuel. I don't know where @Kaos is located, but he must be in an area with a lot of salesmen who want to pad the bill by pulling radiators out, then cash in when they are scrapped.
@lchamb, the rads in my house will only be removed over my dead body. Keep yours.
All Steamed Up, Inc.
Towson, MD, USA
Steam, Vapor & Hot-Water Heating Specialists
Oil & Gas Burner Service
Consulting8 -
And regarding boilers, the Burnham (not Buderus) MPO you have is a first-class unit. Burnham throws a temper tantrum when we talk about putting gas conversion burners in these, but it can be done with the right burner. I know of several that run well using the Carlin EZ-Gas Pro.
The Smith is older- I think it's a BB14 series- and though it's built like a tank, if you're looking for efficiency I'd replace it.
All Steamed Up, Inc.
Towson, MD, USA
Steam, Vapor & Hot-Water Heating Specialists
Oil & Gas Burner Service
Consulting4 -
@lchamb An important thing to add. When you do make your choice on what to do, choose the installer as well as the product. A good relationship with a reputable company cannot be understated. Look again at the above @ethicalpaul and @Jamie Hall posts.
3 -
Thanks everyone for all the great feedback.
To clarify the house was two family but was converted back about 15 years ago. I'm not sure if I want to keep multiple boilers or if one boiler could be split up to support different "zones". In addition, splitting upstairs/downstairs makes more sense to me that the current "left/right" since all of the bedrooms are on the second floor and I don't need heat downstairs at night.
I agree with @ethicalpaul I would rather have a separate domestic hot water system than a "combi" if one of them breaks. What are everyone's thoughts / experiences with tankless vs tank hot water?
Is there a forum on this site for discussing things like insulating old lathe and plaster walls and original single-pane windows?
Thanks again!0 -
if the walls are just air then my favorite retro insulation is blown cellulose fiber. With minimal disruption to the interior or exterior (your choice) you can get good R value, good air intrusion reduction while still keeping it “breathable”
NJ Steam Homeowner.
Free NJ and remote steam advice: https://heatinghelp.com/find-a-contractor/detail/new-jersey-steam-help/
See my sight glass boiler videos: https://bit.ly/3sZW1el2 -
A home as old as yours will most likely have horse hair laid plaster and you do not want to ruin it by breaking it. I agree with ethicalpaul as blown in cellulose is what you want for insulation. You can purchase 3M window insulating kits for seasonal use. Upgrading single pane windows is best left for the summer months to replace caulking and putty to improve window sealing against drafts and replacing sash weight ropes.
3 -
-
I would keep the CI rads.
Not a mod con guy but with CI rads and starting from scratch you have the ability to condense and modulate. If I had an installer I could trust who could service it I would be tempted to go mod con.
That being said if I was in a remote location where service is difficult it would be a CI boiler.
2 boilers would be a good idea and give you some back up. You could pipe 1 boiler to each system and have a couple of "emergency cross over valves" if one boiler fails.
And if you decide to leave it as two units you could have 2 gas meters..
Lots of options.
2 -
-
I have sent you a PM, @lchamb .
Br. Jamie, osb
Building superintendent/caretaker, 7200 sq. ft. historic house museum with dependencies in New England1 -
A combi boiler doubles as a tankless water heater. That configuration is becoming more popular. But you can also use a storage tank with a regular boiler. The tank is connected to the boiler kinda as if it was a separate zone. It's really pretty simple. If you're already going to have any zoning, the tank would be an incremental addition.
1 -
The separate water heater/boiler idea is very good. When one goes, the other isn't affected.
Be sure to have the water heater sized to meet your needs, as well as any boiler replacement requirements. This is very important. Be sure to do this. Sizing your replacement boiler is the most important thing when getting started.
From your pictures, it looks like one boiler is much older than the other. If you're able to, replace the older one first, keep the setup you have, and add a crossover as @EBEBRATT-Ed mentions above to allow for both boilers to be used if ever needed.
1 -
-
If you wanna do that second floor laundry right, figure on a fully water proofed laundry room with a threshold and good 3" or 4" floor drain to handle a failed washing machine hose, et cetera. Mad Dog..
1 -
In Columbia county or almost anywhere in the Hudson valley you would be wise to stay away from tankless water heaters. The quality of the water doesn't agree with tankless water heaters, too many dissolved solids and the tankless water heaters scale up and require lots of maintenance. I strongly believe an indirect tank is the best option for simplicity, reliability and efficiency. Any other type of tank water heater is my second choice.
Good luck with it. And thank you for leaving the nice cast iron radiators in place!
1 -
Timely topic. I am in Maine and am closing on an 1860 3,000 sq. ft. house in about two weeks. Cast iron radiators that are tied to a 2 year old Ideal condensing, outdoor reset boiler. Uses about 1,000 gallons a year with the thermostat set to 60F. It uses LP and that is $3.41.
I have been chewing over the heating options. Present plan is spray foam the rock mortar basement walls. Thermostatic valves on all the rads, and probably an air to water heat pump in parallel with the boiler.
For this winter, we will be installing a pellet stove to help keep the cost down. We used to import and sell air to water heat pumps, so even with high electric costs, this will work well. The rest is energy retrofits. New windows (eventually), create a conditioned attic space by spray foaming the rafter space and just tighten up everything. BTW, where I am the average winter temp is 32F. Perfect for a HP. Was debating minisplits but the inside units of any configuration would just not blend aesthetically.
Might sneak in radiant floors in the two bathrooms that will be retrofitted.
I knew there was a good reason for buying that thermal imaging camera..
Photos sometime soon.
Merry Christmas! And a Warm New Year.
tom in maine
Tom Gocze3 -
1860s farmhouse in upstate NY, 3000sf. Much of the house is uninsulated. Large cast iron radiators throughout. House had a mess of piping in basement from last 100 or more years of changes. Oil boiler in basement with wood boiler in upstairs mud room. Installed primary secondary pipes and just installed condensing combi boiler - propane. Wood boiler is my primary, keeps house hot and I have no shortage of dead ash on property. Having the backup for my family is needed however. Boiler went in relatively easy for someone with no experience, getting the two to get along the way I wanted took some time.
1 -
Morning. There are tons of great comments on the heating, but I’d like to comment on the A/C. I live in Ohio and also have allergies. Pretty sure everyone in ohio does. Anyway, my previous house was a huge 1924 Tudor Revival. 6500 sqft, 7 bedrooms and 5 fireplaces. Couple kitchens and laundry rooms. There was a full basement, 3 living floors and actually an attic above the 3rd floor.
It had steam heat that I tweaked after reading Dan’s book a couple times and hiring Gerry Gill. The heat was great.
However, there was no central air. I’m a stickler for maintaining the historic look and feel of old houses. Also, the roof was a bit of an optical illusion (on purpose). The slate roof on the front and sides went “way up” and you assumed it went right back down on the other side, but that was the trick. They separated them and added a large flat roof. That way the 3rd floor was actually 800 sqft with a 7+ foot ceiling. Plus, there was a 3-4 ft attic above it.
I agonized for several years before deciding and installing the A/C system. Here’s what I did..I had a high velocity Unico system HUNG in the attic to prevent transmission of vibration and noise. Make sure you use the minimum length of tubing because it decreases the whooshing noise. I opened up a large access hole to that attic in the nursery that I changed to a big laundry room I also reframed that part of the access hole and continued it directly above to the flat roof. I had the condensing unit craned up to the flat roof near the back so you couldn’t see it from the road. I used ceiling vents for the 2nd & 3rd floors. Make sure you choose exactly where each vent goes. You don’t want air blasting in your face directly over the bed, for example. I created access holes to the 3rd floor knee wall areas, laid plywood flooring and used them to install ceiling vents on the 2nd (bedroom) floor. I added extra vents over the great stairway, knowing air would sink downstairs. Then I filled the knee wall areas w Insulation and permanently closed them up. I put one large return grill with built-in filter holder on the 3rd floor.
For the first floor, I used a separate conventional, ducted system as I had access to the basement. I spent time w the contractor deciding exactly where each vent would go, both for aesthetics and to utilize the empty joist spaces in the basement ceiling, since I was finishing about 1000 sqft of the basement. This system was ONLY for cooling as the steam did a great job heating.Then I put a THIRD forced air system in the basement that both heated and cooled the basement.
So, there were four separate systems: steam heat for floors 1-3, high velocity A/C for floors 2-3, regular A/C for first floor and a forced air furnace/A/C for the basement.
It worked and still works great. you might ask why high velocity for upstairs and conventional for the first and basement? High velocity is more expensive to purchase, install, run and maintain. It’s absolutely necessary and worth it for the historic homes where you need to hide ductwork AND the cooling is MUCH more even than conventional. Come to think of it, perhaps I should have done the first floor in high velocity?
I moved down the street to a normal sized house I ended up removing the beautiful steam system here and replacing it with TWO forced air systems, one in the basement to heat/cool/humidify the first floor (and basement), and a system in the huge attic to do the second floor. While I love the A/C, I hate the heat. Boy do I regret removing the steam system. I’ll never do that again.
So that’s my story over the past decade or more. Please spend the TIME needed to really research everything. It sounds like you are and that’s fantastic. Good luck in this and the many other projects you will have.
Todd Brown
2 -
-
I can sympathize, and commend you for your purchase. Nothing like the character of these old homes (mine a home in a historic district, built in the 1830s in Upstate NY), but as seen in "The Money Pit" it can cost a bit to maintain/restore. Ours is about 4000sq (including a 450sq 2 story addition in 1928), brick exterior, single pipe steam, Utica boiler, natural gas. It is interesting that many of the vestiges of previous fuels were left behind, whether the 6x20' coal bin, fill pipes and copper piping for when they converted to oil, until they converted to NGas. I can't fathom replacing that natural gas boiler with something all electric that could generate enough energy to heat this place.
As recommended in this thread, DEFINITELY take your time, research, and find the right contractor as a couple contractors I had earlier to consult on the system said "tear this out, remove the radiators, and get a nice forced air unit". After going through this in our past restorations(gas fired octopus to energy efficient furnace), the convenience of central air was nice, and some improvement in utility bills, but the quality of heat never came close to the original, vintage setup. One honest contractor on our current house explained the simplicity of our system, gave us numerous tips to keep it going, and although we do pay more for our utilities, the quality of heat is irreplaceable. Best of luck on your new home, and welcome to Upstate NY.
I'm including a rudimentary drawing of our basement piping showing dimensions, lengths, and radiator taps. The Main vents have since been replaced with Gorton #1s, and the dark black circles are each of the 25 taps to go to the installed radiators.
1 -
Cedric's home is a 7,000 livable square foot house, built originally around 1780 as a pretty typical post and beam four square and added onto as recently as 1893. It is on the National Register of Historic Places — which is both a plus and a minus. Mostly plus.
Steam heat (1930, Hoffman Equipped, mostly unaltered) plus a minisplit in an apartment. Mostly uninsulated, as it just isn't practical. Almost all windows are original; in one small area some top end modern windows were installed about 30 years ago. They have already failed; won't make that mistake again.
Someone up there mentioned spray foaming a rock and mortar basement wall. Be careful. If you have any water intrusion, yo may regret it.
Br. Jamie, osb
Building superintendent/caretaker, 7200 sq. ft. historic house museum with dependencies in New England1 -
i would keep the rads and put a high efficiency wood pellet boiler in to control your heating costs. I live in an 1830s Greek Revival (also in upstate NY!) that was converted to forced air with two propane furnaces by the prior owner. To heat our 4100 sf home we were burning 500 gallons of propane a month from December through March and 500 gallons during the shoulder months. To control our costs, I installed a 120k BTU boiler (MBTek Phoenix 35) with heat exchangers in both furnace plenums. We figured this would just supplement our propane use but the system is so efficient we no longer need to burn any propane and the boiler heats our entire home on its own. We burn 6-7 tons of pellets a year, keeping our house at 67 degrees from October through April, plus it indirectly heats an attached 1900sf garage and workshop to 50 degrees. This effectively cut our heating costs in a third, easily. The initial cost of our install was more than recovered during our second year, plus there were additional biomass tax deductions realized (not sure if these are set to expire). If you have a rad system, you have the setup that would make adding a pellet boiler even easier and more efficient than starting with forced air.
2 -
First — Do no harm. Go slow. Old houses leak — you most likely will never need mechanical air change. Live with the house one season — what works and does not. What rooms are cold or hot and ask why. Fixing the homes easy envelope problems will provide energy saving all year and provide greater comfort — fewer drafts. You must get a proper load done on the house … what does each room need for heating and cooling — what will the whole house require.
I'm an old house guy and a serial remodeler — it's a sickness. You name it, I have most likely done one. I have also always had the $$ to mostly do what I thought was correct. Learned that I was not always correct. I also learned that many so called professionals were also not correct. Especially when it came to higher end equipment and complex systems.
Unless something is really odd with the piping or the load comes back huge — my guess the future is only one boiler. You do not want to remove the CI radiators. Please do not remove them. Natural gas is going to be the cheapest "fuel" to run that single boiler when time comes. What is the size of the newer boiler in the house? How does it line up to the homes need when you get that heat load done? How old are the oil tanks .. Are both the same age ?
I still own one of my first projects because part of it is a home office — a big stone monster in Chestnut Hill (Philadelphia). It still has the same two Buderus boilers from the early 90's — the indirect has been replaced. The reason for two boilers was as much for the way the piping worked in the basement and how the house was going to be used … also fewer ways to control systems back in 1994. The cost was also not that much greater because the big boiler required was expensive. I also agree that the old simple boilers were great — especially the Buderus that could run low temp water with outdoor reset to the radiators. You will not find those boilers today although controls are available to mix water and get the lower temp water. Having outdoor reset to the C system will provide comfort and fuel savings using what you have.
How you heat the domestic water is math. What does it cost to provide what you need — I have always put in an indirect if I have a boiler. But — do the math. In some cases heat pump units are almost free — what will it cost to install and run. What is the temp of the basement ? Spray foam can work well in many areas but you do need to understand how that effects the foundation if stone — it needs to be sealed outside. A overly warm basement w/ a heat pump water heater sitting next to the boiler is not a bad idea.
AC — again math. How much do you want to spend. Some homes with big open utility type basements allow for cost effective ductwork. Do not put a system in an uninsulated attic. I did a high velocity system in one house — it was very expensive with some issues but did work (would be my last recommendation) AC is as much about removing humidity as taking heat out of the air — register placement is also not as important as with heat. Do not over size the AC. Mini splits are great problem solvers — I have used them in every house somewhere for the better part of 20 years. Trust me — once installed you never notice them if any thought goes into placement. I'm not a fan of the multi head on one compressor systems — for a few reasons.
2 -
Your plan is great! I have a restored 1928 french revival home (3200 ft.² with 19 radiators). I replaced a standard cast-iron boiler with a modulating condensing boiler using outdoor reset and added TRV to majority of radiators. Heating Comfort is exceptional. Maintenance of the mod-con is often brought up as a reason to avoid however, this viewpoint ignores the improved comfort modulating boilers provide and assumes everyone maintains thier modcon yearly. Most don’t; not saying it’s good or bad. Just a fact.
I also have a a Spacepak high velocity HVAC with 2 inch ports. Practically invisible with exceptional comfort but does require planning, including sizing of attenuators and maximum /minimum run lengths. I have a spreadsheet I used to balance CFM by room. PM I’d be happy to share.
I did put the second level HVAC equipment in attic with ductwork sealed and buried in dense pack insulation underneath 1.5” XPS and subfloor. It’s effectively part of conditioned space but with a loss of 7” head room.
If I did it again, I would make the attic a conditioned space using close cell foam / vent channels / roof sheathing (I’m not a fan of spray foam applied directly to roof sheathing.)It would be less work than sealing / building up insulating the subfloor and provide more condition storage space.
1 -
Adding to my earlier post. I was finishing up a complex project when covid hit. PA stone church that I had owned for about 20 years — gut rehab into a residence. Since I knew the structure, what it would need to be comfortable — I did radiant floor throughout. 100 years ago the answer would have been radiators — both are premium systems and expensive to install vs a conventional duct system. That's why you want to keep the radiators. There is no way to ever make those old homes super tight. You have a premium heating system already. I replace all the windows and spray foamed the whole church structure. You can't do that — it's worth spending the money to keep and restore the hot water system even if you can and do eventually install some ductwork.
I was able to install a ducted system in much of the building as well as get some odd single small ducts to spots. I know from experience that they are often "enough". Ductwork was impossible in three locations. We did a mini split in those spots. One was the kitchen, the other two were a loft at the highest point of the building and a laundry/ dressing/ bathroom area at the lowest. The ducted system is a 3 zoned 5 speed Carrier heat pump/ furnace (duel fuel — unfortunately propane is all we can get). The same system I have used in many projects since it came out about 12 years ago … prior system before the 5 speed was 2 speed zoned system. They no longer make the 5 speed — they are all now full variable speed. Zoning with VS systems is easy and works very well — especially with the carrier system. It also allows for smaller properly designed ductwork since having that load done at the beginning tells you what is needed.
Obviously the VS ducted systems are more $$ but they allow you do do things that single speed systems can not. Since we use propane — even with high PA electric rates the heat pump wins many times of heating season. We also flick on the ducted system and mini splits on those cold mornings when all you need is 1/2 hour of heat. Turning on the radiators or floor heat would be a waste. Had we been able to have natural gas — furnace would have been cheaper to run. I knew the propane furnace was most likely a waste but the cost over just doing an air handler was so minor I did it. Also — with a proper heat and cooling load done on the building we came back with only needing 36k BTU of cooling for that system. So the installed system did not have the capacity to fully heat that part of the building — it was sized for AC. I will add that no HVAC professional believed the system would cool the space at 36k BTU. I knew my guy did proper load calculations. The system works perfectly even in 100 degree heat.
I will add. In a conventional constructed new home without any odd spaces. Modern variable speed ducted systems that modulate both heating and cooling to match the load on the house at the time make for a very comfortable and quiet home.
My older sister who now lives in FL was up for two weeks over thanksgiving. The floor heat was running in the building using the single small Viessman boiler's reset control. Since we have that zoned ducted system available I just raised the temp in the guest area of the house (own zone) for her — heat pump did the trick w/o making the whole house too hot.
You need to get a load done and see what you have and what you can do with what you want to spend. How much of the house can that single newer boiler handle? Can it do most of the load ? What if you did some duct work … or a partial ducted mini split (not a multi head). Would the single boiler you have work? My point there — the payback going with new gas boiler when the oil is working may have a long payback. This is a math problem. It's most common to have boilers that are way way oversized.
1 -
Our 1830's 1740 sq ft Greek Revival had 10 cast iron rads and a coal fired boiler installed in the 1920s when a doctor's family lived here. I am so grateful no one wrecked out this heating distribution system over the years. When the fuel oil boiler went bad we installed a NG mod con 10 years ago. It's a simple fire tube design that is easy to clean and maintain. An indirect water heater takes care of domestic hot water. We saw a 40% reduction in heating costs over fuel oil so I like your friend's father in law idea. Sounds like he has looked the place over when he made those recommendations. A mod con can be a great match with cast iron rads if you can heat the house with boiler water less than 130f most of the time. Like a lot of old homes with improved doors, windows, insulation, those cast iron rads don't require 170f water to heat the place anymore. Much cooler water will do the job and will fluctuate based on the outside air temp. Our house is heated with boiler water ranging from 90 to 140f which covers us down to -20 outside temp.
You can calculate your radiator max btu output by finding charts online for radiator EDR in given sizes. Compare that output to your home's heat loss. Slant Fin has an app that's useful for calculating heat loss. In our case radiator output with 170f water is 106k btu. Heat loss on the app is 58k btu. Cooler supply water works just fine and keeps the mod con boiler in the most efficient range most of the time.
I hope most of the original wood work, hardware and cool structural features of your home are still intact. Our house was also once a duplex with two brothers and their wives living here around 1900. Fortunately no major remodeling happened and much of the old house character remains. I also went to the county recorders office and researched all previous owners back to when the place was sold as bare village lots in 1835. If you like history it's a lot of fun.
1 -
You are definitely on the right track. This is what I would do in your situation based on everything you detailed here.
*Convert to natural gas if available.
*Keep the forced hot water heating along with all the cast iron radiators. I would add more of them to heat the additional areas if they aren’t already connected in.
*Since you are converting the house back to one single family home, I would get rid of the old boilers and replace with one modern cast iron sectional boiler rated to handle the size of the house. A proper heat loss calculation will be needed. Don’t let the contractor be lazy and just think they need to add the BTU rating of the two boilers together and be done. You may not need all that if you are insulating the house very well.*I would keep the supplemental heating apparatuses (wood stove, gas, electric fireplaces). As sometimes you don’t need the entire system all at once. If you live where wood is abundant on the property, that’s essentially “free” fuel minus the expenses of harvesting the wood.
*I would do 1 or 2 tanked gas water heaters based on your family’s size.
*For cooling I would do a Unico/Spacepak System. And maybe a mini split for the addition area as I’m unsure how well the high velocity systems work with long horizontal runs.
Here are a few pages from a heating brochure from The American Radiator Company that explains the benefits of radiator heating. Good luck with everything! Good for you for doing due diligence. So many don’t and end up with crap heating.
Lifelong Michigander
-Willie
3 -
What town?, I run all Rensselaer county, Northern Columbia and Southern Washington Co, same on both side of the river.
0
Categories
- All Categories
- 87.3K THE MAIN WALL
- 3.2K A-C, Heat Pumps & Refrigeration
- 61 Biomass
- 429 Carbon Monoxide Awareness
- 120 Chimneys & Flues
- 2.1K Domestic Hot Water
- 5.8K Gas Heating
- 114 Geothermal
- 166 Indoor-Air Quality
- 3.7K Oil Heating
- 77 Pipe Deterioration
- 1K Plumbing
- 6.5K Radiant Heating
- 395 Solar
- 15.7K Strictly Steam
- 3.4K Thermostats and Controls
- 56 Water Quality
- 51 Industry Classes
- 50 Job Opportunities
- 18 Recall Announcements



















