Low limit aquastat not calling for heat
I recently purchased a building with a 250,000 btu Slat Fin Galaxy cast iron gas fired boiler installed in 1994. during demolition of the building the low level aquastat was accidentally removed (it was located outside the mechanical room). When we went to fire up the boiler this winter it was apparent something was missing and a new Resideo model L4008A was installed along with a new temp/pressure gauge. Because the previous immersion probe was seized in the well tube and we didnt have a new one on hand, we installed the immersion probe to the side of the hot water supply line and wrapped with insulating tape. I have the high limit aquastat set to 180 and the low level set to 160 with a 20 degree differential. The boiler has never reached 180 and the low level aquastat never seems to call for heat when the water temp dips down, sometimes nesr 120 degrees.
THE BOILER ONLY FIRES WHEN THE THERMOSTAT CALLS FOR HEAT, NEVER WHEN LOW LEVEL TEMP DIPS BELOW DESIRED TEMP.
Im hoping the issue is becuase i have an immersion style aquastat probe not properly installed inside the well. however i still feel like the low level shouuld be calling for heat, even if its not accurate.
Comments
-
The reverse setting on a dual aquastat is used to maintain temperature if the boiler has a coil inside to supply domestic hot water. The low side also shuts off the heat circulator from robbing the supply of hot water ..
There was an error rendering this rich post.
0 -
there are 2 aquatats installed. one high limit and one low limit.
0 -
-
0
-
What is the B aquastat wired to ? What happens if you jump out the B ?
The B makes on temperature rise . It is not a low limit …
There was an error rendering this rich post.
0 -
Im not following you, Im also not a mechanical guy so you have to speak in dummy terms… what do you mean by B? Are you referring to the external mount resideo?
0 -
-
0
-
This photo is a picture of a Reverse Aquastat also known as a B aquastat. It appears to be new by the date code in the red box H2542. That indicates the 42nd week of 2025. So sometime in October that control was manufactured.
On the other side of the metal chassis (indicated by red arrows) is printed a model number that might be L4006BXXXX (with four numbers after it.). Is there a way to post those numbers so we can look up and know what that control is capable of
From that photo I can tell you that it is connected by wires to a 24v. control circuit, but I can not tell you what it is connected to. That same metal chassis can be used for other Aquastat controls with very long probes that can measure the temperature from outside the building or from a room that is several feet away or from a pipe that is somewhere behind that wall the control is attached to. The probe might look like this:
By the dial setting and the wire terminal designation I can tell you that the control pictured will turn on something when the temperature probe is at or above 160° and that the control will turn off that device when the temperature is at or below 155° if the control has a fixed differential of 5°. If you are expecting that control to turn on a boiler when the boilere temperature is below 160°, You selected the incorrect control.
Here is the terminal designation of the L4006 and L6006 controls. W at the top R in the middle and B at the bottom.
Edward Young Retired
After you make that expensive repair and you still have the same problem, What will you check next?
0 -
ok the "B" aquastat (pictured) is mounted outside the mechanical room with the temp probe passing through the wall and connected to the hot water supply pipe.
0 -
OK that control os a operation control that will power on a control if the temperature at the probe is lower than the set point of the dial. That means that you should be able to use that to turn on a burner the burner should stop when the temperature exceeds the 160° set point and then the burner should start once the temperature drops to 155° if the differentia is set to 5°. That control has an adjustable differential from 5° to 30°
To determine what is going wrong, can you show me where the other end of the red and white wire on that control are connected to?
Edward Young Retired
After you make that expensive repair and you still have the same problem, What will you check next?
0 -
if you scroll up you can see the photo i posted where the stat wires are labeled. "stat" being the thermostat and "Aqual L" being the low limit. that photo shows the high limit aquastat mounted behind the access panel on the boiler.
0 -
What does it say on the inside of the cover? There's only 2 terminals, so its SPST. If it says "R-B opens on temperature rise" then you've got another High (A) Limit. You need a B Limit. An L6008B might work. You could also get an L6006C strap on if its feasible.
0 -
0
-
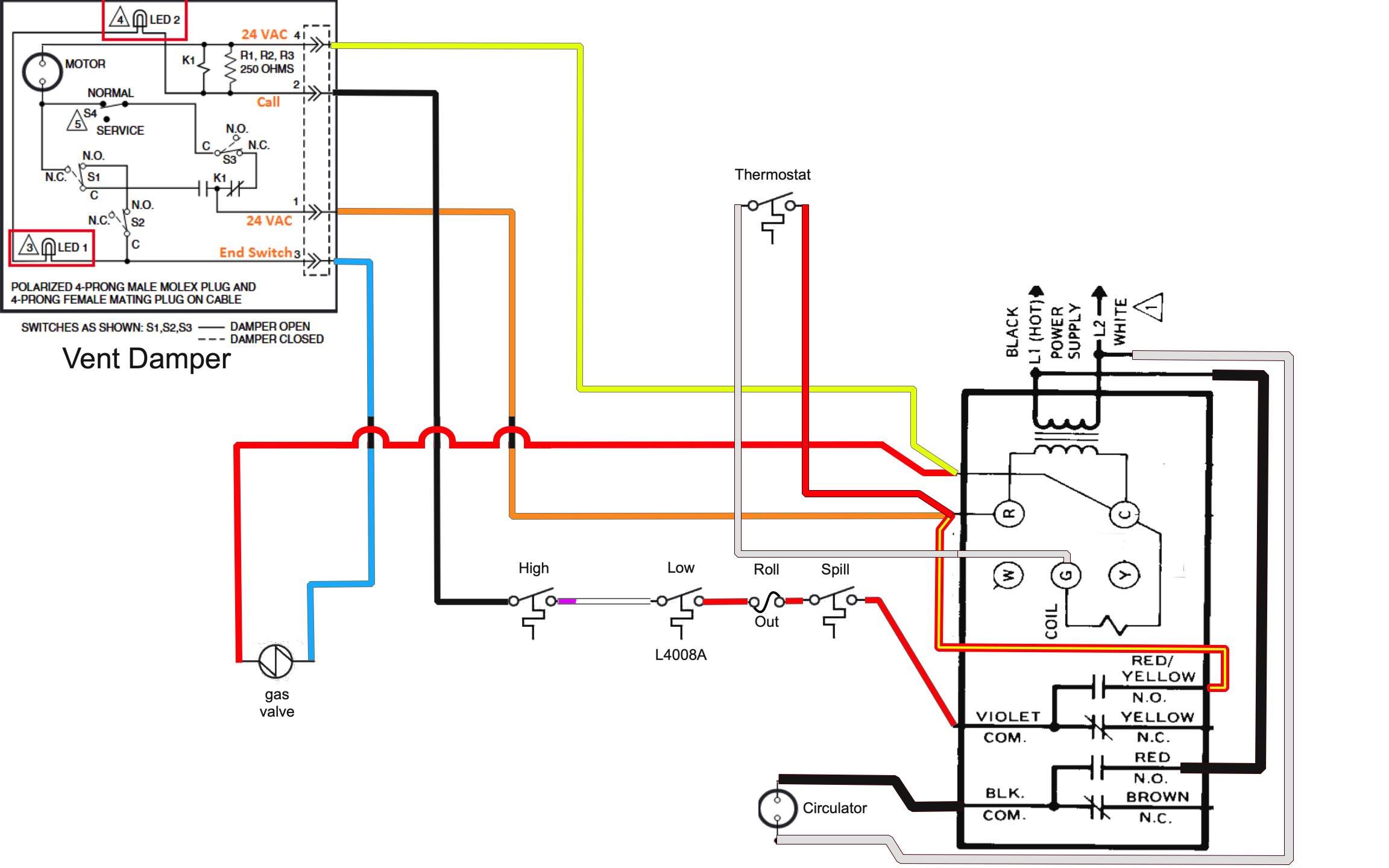
This is your wiring diagram to the best I can see from the pictures:
There is no control that will operate a circulator. So I guess that is constant operation. The operator or low limit, the high limit, all the other safety switches, and the thermostat need to be closed (turned on) for the vent damper to operate. Any one of them opening will keep the vent damper closed. Once the vent damper is open and the end switch inside the vent damper closes to indicate the damper is open, then the gas valve will get power to operate the burner.
Edward Young Retired
After you make that expensive repair and you still have the same problem, What will you check next?
1 -
-
Is there a more appropriate aquastat that will control the circulator?
0 -
I can feel the current low level aquastat click when i move the dial and it hits what it thinks the boiler temp is at. it also clicks accordingly to how i set the variation dial. currently the low level was set to 160 and the temp gauge was showing 120. I increased the low level up to 200 and the flame kicks on heating the boiler temp to 145-150 then shuts off.
0 -
I believe that is proper usage of that L4008A to be an operator. So you have an operator and a high limit. That is no problem. (Yes @HVACNUT he has 2 high limits).
There is no better Aquastat control for operating the circulator. If you don't want to have your circulator operate all the time, then you need a circulator relay. Are there any other controls that you have not posted a picture?
There are relays that the thermostat can operate to turn on the circulator and the burner. That way the circulator only operates when there is a call for heat from the thermostat. Do you want me to send you the info for the control you need, and the wiring diagram that will work for you?
Edward Young Retired
After you make that expensive repair and you still have the same problem, What will you check next?
0 -
if you are using the Honeywell control to start the circulator it will not work for that. The control you have is a L4008A is a direct acting high limit. It opens the circuit on a temp rise.
You need a reverse acting control that closes the circuit on a temp rise if you are controlling the circulator with it as @HVACNUT said
0 -
@ericthor said: "I can feel the current low level aquastat click when i move the dial and it hits what it thinks the boiler temp is at. it also clicks accordingly to how i set the variation dial. currently the low level was set to 160 and the temp gauge was showing 120. I increased the low level up to 200 and the flame kicks on heating the boiler temp to 145-150 then shuts off."
You need to be careful with reading the temperatures with the way you have the system wired up. The thermometer that tells you the boiler temperature is 145° is 50° different from the temperature setting at the control. That tells me three things.
- The water temperature at the thermometer and the water temperature at the pipe where the operating control is different.
- The control is not accurately reading the correct temperature
- The boiler thermometer is not accurately reading the correct temperature.
Or a combination of all three. So BE CAREFUL with your adjustments. If you are setting the control on the pipe to 200° and that is the most accurate control because it is the newest part on the system, and the boiler temperature is actually over 200° but the thermometer is not correct, you may end up using more fuel than you need to… or …over heating the boiler and the relief valve discharges… or …worse.
When professionals do service calls and this happens, we have a "Known Good" accurate thermometer to check the temperatures at the different boiler locations to see which device is accurate and which device is out of calibration. That way we don't make any dangerous mistakes.
Edward Young Retired
After you make that expensive repair and you still have the same problem, What will you check next?
0 -
yes please send it! and thank you!
0 -
This is the diagram that will get you operating the circulator with the thermostat.
This is the same diagram as before with a General Purpose relay added. WR 90-130 Fan Center is a little less expensive than the Honeywell in the diagram and the wire colors may be different, but the diagram is identical.
First: Turn off power
There are 2 sets of relay contacts including a transformer on the same electric box plate, so you can remove the existing transformer and replace it with the new combination transformer/relay. The C terminal and the R terminal will stay the same. Just take all the wires from the C and put them back on the C and take all the wires off of the R and place them back on the R. Then connect the Black and White 120 VAC wires in the same way, and you should have exactly the same set up. Test that this works for you as it did with the old transformer and verify that the system operates the same as it did before.
Now turn off the power again and remove the thermostat from the system and just put the wires from the wires from the Low limit and the High limit that are left behind and connect them together.
Connect the R wire from the thermostat to the R on the transformer
Connect the W from the thermostat to the G on the transformer. Now when the thermostat calls for heat the relay will pull in and close the relay switch contacts closed (turned on). See how that completes a circuit from R on the transformer to R on the thermostat to W on the thermostat the G on the transformer to the Relay coil on the transformer to C on the transformer to make a complete circuit?
Remove the R wire from the transformer that goes to the spill switch should be connected to the violet wire on the relay and the red/yel wire on the relay should be connected to R on the transformer.
Once you have all those wires connected you can take the 120 v. Black wire from the circulator motor and connect it to the Black wire on the relay. Take the Red wire on the relay and connect it to the place you removed the black wire of the circulator from.
That should complete the rewiring.
Power up and test. Make sure all the limits stop the burner when there is a call for heat. You don't want to have the flame continue to burn if there is a problem with flue gas spilling, or the water getting too hot.
If this sounds too involved, then get a professional to do this for you.
Edward Young Retired
After you make that expensive repair and you still have the same problem, What will you check next?
2 -
I'm going to ask what I hope is a really stupid question.
Did they strip the insulation off the copper wire before putting the wire under the screws and the washers ???
Even if they are stripped, they are installed wrong. The bare copper wire should be between the screw head and the cupped washer with the wire exiting the cup through the edge part of the cup that is cut away. Not placed underneath the washer.
National - U.S. Gas Boiler 45+ Years Old
Steam 300 SQ. FT. - EDR 347
One Pipe System2 -
what model aquastat should i be using for this configuration?
0 -
@ericthor asked: what model aquastat should i be using for this configuration?
The L4008A1015 is a good aquastat for this system and the aquastat that is connected inside the boiler is also a good one to use. Both are acceptable. In this diagram you see that all of the parts in the siring diagram are already existing, therefore you do not need to purchase any different "aquastats" for your boiler.
And that should answer your question as you asked it.
However I believe that you are asking what new control you need to purchase?
That has a different answer: the control is a White Rodgers 90-130 Fan Center that I linked in my previous post and I will also link it here: WR 90-130 Fan Center. That is the control that has a transformer and a relay in one box that is attached to a plate that will cover that same electric box your existing transformer is covering now.
That should be enough information to get the job done. If you are still having questions then I STRONGLY recommend that a professional do this work for you.
Edward Young Retired
After you make that expensive repair and you still have the same problem, What will you check next?
2 -
ok I checked the temp on my hot water supply pipe and it does match the brand new thermometer. I am still curious why my boiler will not heat up to the 180 on the high limit aquastat, and why the low limit is not being maintained. today I recorded 110 degrees where the probe is strapped to and i have the low limit aquastat set to 220 (which i know is way too high). Is this something the updated wiring youve provided will correct? also would a different low level aquastat with 3 terminals instead of 2 allow the circulator to not run on low level call for heat? perhaps the correct model designed for the probe to be strapped rather than immersed? I can probable return and get the correct aquastat.
0 -
" THE BOILER ONLY FIRES WHEN THE THERMOSTAT CALLS FOR HEAT, NEVER WHEN LOW LEVEL TEMP DIPS BELOW DESIRED TEMP. "
Well the way the wiring looks with the Low limit in series with the thermostat the low limit does not have the ability to call for heat independently. So the low limit and the thermostat both have to be calling for heat to start the burner.
If the low limit is for a warm start boiler (for Domestic Hot Water (DHW)) the Low limit and the thermostat would have to be in wired effectively parallel not in series. So a call for heat from either will start the boiler. And the circulator would probably run in both cases. The information you provided is too limited. If not for DHW why do you want a warm start boiler ?
One example;
https://slantfin.com/wp-content/uploads/2015/11/Galaxy-Installation-Manual-Pre-DOE-2012-706.pdf
National - U.S. Gas Boiler 45+ Years Old
Steam 300 SQ. FT. - EDR 347
One Pipe System1 -
@ericthor said: "ok I checked the temp on my hot water supply pipe and it does match the brand new thermometer."
This statement is ambiguous and needs clarification.
What pipe and what thermometer? How was it "checked". Describe the procedure and what "Known Good" device was the test instrument?
What were the test results? What temperature was the pipe and what temperature did the new thermometer say the pipe was? The numbers please.
Edward Young Retired
After you make that expensive repair and you still have the same problem, What will you check next?
0 -
@ericthor stated: "I am still curious why my boiler will not heat up to the 180 on the high limit aquastat, and why the low limit is not being maintained."
This is a simple answer. One of the other devices on the series of limits and switches is open. What happens if the thermostat is set for 70 and the room temperature is 71°? The burner is off, correct? But the water temperature in the boiler is not at 220° or 180° that the other limits are set to?
I'm afraid if you were to allow the boiler temperature to go to 180° by removing the thermostat from the series of limits and switches you may find the room temperature may be over 90°. I don't believe that you would be comfortable with that option
What do you think?
Setting a control to a temperature does not force the burners to make the water that temperature. It allows the water to get to that temperature, if needed. the reason your boiler is not getting to 180° or 220° is because the thermostat does not need the water to be that hot to make the room comfortable.You are saving money by getting heat in your rooms with water that is only 110°.
OR
Are you complaining that you are not getting enough heat in the rooms?
Edward Young Retired
After you make that expensive repair and you still have the same problem, What will you check next?
1 -
In the original post @ericthor said: "THE BOILER ONLY FIRES WHEN THE THERMOSTAT CALLS FOR HEAT, NEVER WHEN LOW LEVEL TEMP DIPS BELOW DESIRED TEMP."
After all the pictures and wires are analyzed this statement is TRUE. Why would you need anything more? Are the rooms too cold? Then the thermostat is set too low. Turn up the thermostat.
Edward Young Retired
After you make that expensive repair and you still have the same problem, What will you check next?
1 -
Here is an illustration you may be able to see a little more clear. the light bulb represents the vent damper , gas valve and the flame in the burner. all that stuff is covered over with Gray.
All the limits, aquastats and safety devices are represented by light switches connected to 120 v. (like a wall outlet).
That first switch is a safety that will open if the temperature of the exhaust gasses over 300° reaches that switch. You are not asking for the flue gasses to get to 300° by putting that switch there. In fact You DO NOT want the gasses to get to 300°. But if that happens it would be better to have no heat than to let exhaust gasses into your home. But it is there set at 300°
Next is the roll out safety fuse that is set at 400°. You are not asking for the flue gasses to get to 400° by putting that switch there. In fact You DO NOT want the gasses to get to 400°. But if that happens it would be better to have no heat than to let exhaust gasses into your home. But it is there set at 400°
the next is the L4008A limit control set at 160°. You are not asking for the water temperature to get to 160° by putting that switch there. In fact You DO NOT want the water temperature to get above 160°. But if that happens it would be better to have the burner stop and get free heat into your home without using any more gas. But it is there set at 160°
The next one is the room thermostat set at 70°. You are asking for the water temperature from the boiler to get to the radiators by putting that switch there. In fact You DO want the water temperature to getthere to heat the rooms. But if the temperature goes above 70° it would be a good idea to have the burner stop and not burn any more gas that would cause the room to over heat. So it is there set at 70°
The next one is the boiler limit control set at 180°. You are not asking for the water temperature to get to 180° by putting that switch there. In fact You DO NOT want the water temperature to get above 180°. But if that happens it would be better to have the burner stop and get free heat into your home without using any more gas. But it is there set at 180°
Be careful what you ask for. You may not want the results.
Edward Young Retired
After you make that expensive repair and you still have the same problem, What will you check next?
1 -
-
the rooms are indeed heating to the temp called for at the room thermostat. I guess my concern was condensation possibly happening when the low limit isnt maintaining the called for low level temp. perhaps im mislead by being concerned about this?
0 -
There is a concern with steel and cast iron boilers that operate at low temperatures of something call Flue Gas Condensation. That condition exists when the flue gas temperature is below the due point of the flue gasses. A large contributor to that problem is cold water (lower than 140°) in the return pipe from the radiators. That can cause premature failure of the metal resulting in a leaking boiler. I am wondering how old your boiler is? If it is over 20 years and has been operating this way the entire time, then I don't believe that you have to worry about premature failure. You are already past that. How long will your boiler last from now? Only time will tell.
If you are interested in getting the water temperature in the boiler to be somewhat higher, then you need to do a little repiping and rewiring.
- You don't want the water temperature in the radiators to change because that is keeping the rooms comfortable
- You want the boiler temperature to get above 140° quickly
- You don't want the circulator to operate constantly especially if the boiler water is going to be over 140° because of reason #1
- You don't want the off cycle 140+ water to stay in the boiler after the call for heat is satisfied because that is wasting energy.
- You don't want the post-purge heated water to cause the rooms to overheat.
So the control design you want is a little more complicated than selecting an aquastat to keep the circulator off. It will involve having a bypass pipe from the boiler supply to the boiler return to facilitate quick warm up of the boiler water, then you want something to blend cooler return water with the water that is going to the radiators in order to keep them from overheating the rooms. This might involve a second circulator and a combination aquastat relay with post purge capabilities. The Hydrolevel 3200 series of controls come to mind
Once the call for heat is satisfied, then flue gas condensation is no longer a problem. So you can allow the boiler to go cold with the post purge operation. That would involve shutting off the boiler circulator and operating the system circulator thru a mixing system that delivers lower than 150° water to the radiators and continuing that flow until the boiler temperature is depleted to a lower temperature of say 110°
Are you interested in such a system design? If so, then you should also consider outdoor reset to keep the room temperature even more even than you currently have with a thermostat only system. We are talking thousands of dollars for such a design. I’m not sure that is in the budget for most building owners, until you need to replace the boiler for some other reason. That is when you consider taking the lowest bid which usually ends up with the highest operating cost or getting a sophisticated control and piping system to lower the cost of operation which will save you in the long run.
Edward Young Retired
After you make that expensive repair and you still have the same problem, What will you check next?
0 -
" ok I checked the temp on my hot water supply pipe and it does match the brand new thermometer. I am still curious why my boiler will not heat up to the 180 on the high limit aquastat, and why the low limit is not being maintained. "
These are two easy questions to answer;
Because you connected the Low limit up incorrectly (it is in series with the other limits including the thermostat), so it limits the boiler to 160 degrees or whatever you set the Low limit to.
AND
Because you connected the Low limit up incorrectly (it is in series with the other limits including the thermostat), so it limits the boiler to 160 degrees or whatever you set it to.
The Low limit need to be in Parallel with the thermostat NOT in series. So each device, the Low limit (160 degrees) OR the thermostat (for the desired room temperature) can call for heat independently.
The way it is wired in the picture above BOTH the Low limit AND the thermostat have to call for heat to fire the Boiler's burner. Once either is satisfied the burner shuts off regardless of what the other one wants.
National - U.S. Gas Boiler 45+ Years Old
Steam 300 SQ. FT. - EDR 347
One Pipe System0 -
-
THIS FIXED IT! Even the circulator doesn't kick on when low limit calls for heat.
0 -
I'm glad it works as you want.
I think there must be more to the overall story. I would think with either call Thermostat or Low limit the circulator would run. Since it does not, which is probably good in this case, I suspect there may be additional control for the circulator between the actual thermostat and the thermostat wires pictured above.
National - U.S. Gas Boiler 45+ Years Old
Steam 300 SQ. FT. - EDR 347
One Pipe System0 -
when the thermostat stops calling for heat and the circ pumps shut off, should it continue to heat until it hits the low limit setting of 160? mine is shutting down at 140, which is where the 20 degree differential is set at.
0
Categories
- All Categories
- 87.6K THE MAIN WALL
- 3.3K A-C, Heat Pumps & Refrigeration
- 59 Biomass
- 429 Carbon Monoxide Awareness
- 124 Chimneys & Flues
- 2.2K Domestic Hot Water
- 5.9K Gas Heating
- 119 Geothermal
- 168 Indoor-Air Quality
- 3.8K Oil Heating
- 78 Pipe Deterioration
- 1K Plumbing
- 6.6K Radiant Heating
- 394 Solar
- 16K Strictly Steam
- 3.5K Thermostats and Controls
- 56 Water Quality
- 51 Industry Classes
- 50 Job Opportunities
- 18 Recall Announcements






















