Hot water zone off steam boiler
Need some help i have a hot water basement zone off steam boiler for some reason its producing steam to the upper floor when its calling for heat I have a aquastat installed set at 180 but that does not help
Comments
-
Wiring problem or problem with aquastat. Can you diagram the wiring for us? What connects to what?
Br. Jamie, osb
Building superintendent/caretaker, 7200 sq. ft. historic house museum with dependencies in New England0 -
yes when I get home thanks
0 -
On a call for heat from the water baseboard zone there should be a control that stops the burner when the water temperature reaches 160° or 180°. That way the burner can not operate at a high enough temperature to make steam.
A detailed wiring diagram can be provided for this logic once I know what boiler and burner system you have. Also what thermostat operates the baseboard water loop? Picture of the boiler from far enpugh back to see the piping and the controls from 2 or 3 different angles will help
Edward Young Retired
After you make that expensive repair and you still have the same problem, What will you check next?
0 -
thankyou will do soon it’s a crown Bermuda steam boiler
0 -
To be clear. You have a steam boiler and have run a water zone off of that boiler? That water loop is getting steam and is loikely banging I would guess. Could be a mixing issue. That water loop should have a bypass so as to prevent boiling water from entering the zone and potentially flashing to steam.
Are my assumptions correct ?
Miss Hall's School service mechanic, greenhouse manager, teacher, dog walker and designated driver
0 -
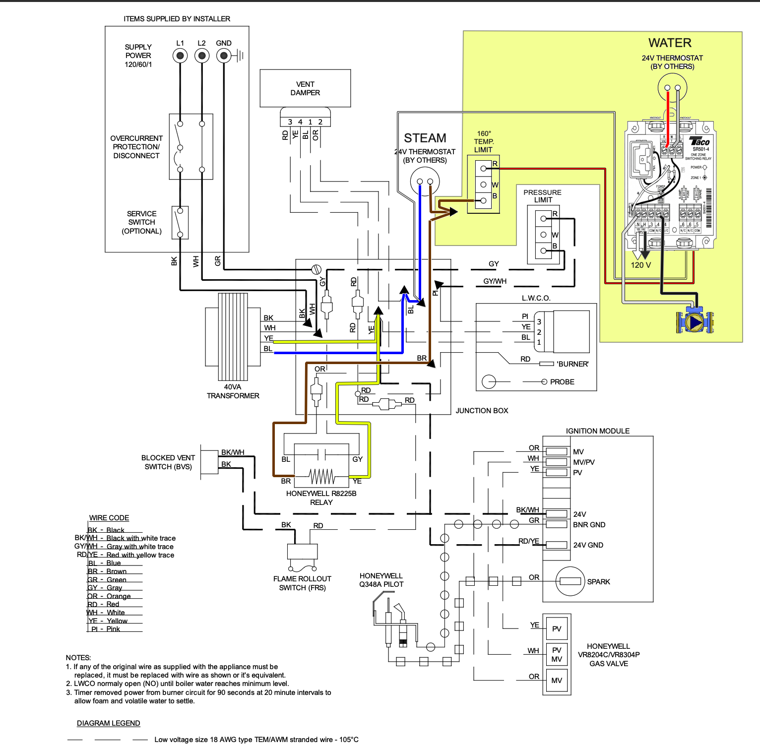
I'm not sure if this is your exact wiring diagram from Crown Boiler by Velocity Boiler Works, but if it is, I have added the controls needed to operate the circulator pump and the burner so your thermostat from the water zone will not make steam.
The yellow highlight is not part of the factory diagram. It has the three controls needed to operate the circulator pump. A thermostat for the water zone. a circulator relay and a Aquastat like the L6006C to stop the burner before it gets hot enough to make steam.
You will also want to read up on how to do this because the circulator location as close to the floor as possible is important so there is less chance of cavitation when the steam thermostat makes the water heat to 215°F and the water zone is operating at the same time.
Is this something you just added or has this been here for some time and the problem just started to happen recently?
Hope this helps.
Edward Young Retired
After you make that expensive repair and you still have the same problem, What will you check next?
0 -
Has it always been making unwanted steam? Is this a new problem or an old problem? Is the basement zone working properly? Where is the aquastat located, in the boiler block itself or in the loop piping?
0 -
Hi, I will update today with pictures and wiring diagram exactly the way it is thanks all for helping
0 -
0
-
Hi, all I am attaching pictures thanks
0
Categories
- All Categories
- 87.6K THE MAIN WALL
- 3.3K A-C, Heat Pumps & Refrigeration
- 59 Biomass
- 430 Carbon Monoxide Awareness
- 124 Chimneys & Flues
- 2.2K Domestic Hot Water
- 5.9K Gas Heating
- 120 Geothermal
- 168 Indoor-Air Quality
- 3.8K Oil Heating
- 78 Pipe Deterioration
- 1K Plumbing
- 6.6K Radiant Heating
- 394 Solar
- 16K Strictly Steam
- 3.5K Thermostats and Controls
- 56 Water Quality
- 51 Industry Classes
- 50 Job Opportunities
- 18 Recall Announcements










