Thermostat not satisfying
I have a gas fired furnace system in a customers house, 2 of them and only one of them does cooling. The one that only does heating has a thermostat connected to a honeywell HZ311 zone board on zone 1 and it calls for heat and does not stop.
i switchd out the thermostat and it didnt work, ruled out a short in the wiring, and confirmed it has to be a thermostat issue. I have R W and G connected which i believe is for an electric furnace system. Is that why it isnt satisfying? If so, how should it be wired?
it was a battery operated honeywell and i switched it to a Nest. Should i try a different thermostat?
Comments
-
You have a smart thermostat the requires R W and C Correct?
Did it operate properly when you had the previous Honeywell thermostat?
Edward Young Retired
After you make that expensive repair and you still have the same problem, What will you check next?
-1 -
Even though the Honeywell was had batteries, is it possible C and not G was connected? If its heat only, G for fan only typically isn't used. It can be used, but its not common. (Get it?)
Like Ed, said, R,W,C at the thermostat and zone panel.
Oh yeah... Nest. Is there seperate Rc and Rh? You'd think connect power to Rh for heat only, but some Nest models don't like that. If so you might need to jump Rc and Rh.
1 -
" Thermostat not satisfying " - " it calls for heat and does not stop. "
So the heated space overheats ?
National - U.S. Gas Boiler 45+ Years Old
Steam 300 SQ. FT. - EDR 347
One Pipe System0 -
yeah the heated space overheats.
and yeah i know C should be wired but it should still be satisfying. Same problem was happening with honeywell battery operated tstat. Could i swap G with C or do i need G?0 -
Ah so? Then the problem isn't the thermostat. If you open the W connection on the control, does the heat stop? If you open the W connection at the thermostat, does the heat stop? Start there.
Br. Jamie, osb
Building superintendent/caretaker, 7200 sq. ft. historic house museum with dependencies in New England1 -
yes the heat stops if you remove W both at the tstat and at the zone board. I also ruled out a short in the wire by wiring, the thermostat directly at the board itself. I’m stumped.
0 -
in thw wiring*
0 -
Can you post pictures of thermostat wiring and zone board?
0 -
Ok. Let's play thermostat and get rid of the Nest for the moment, anyway.
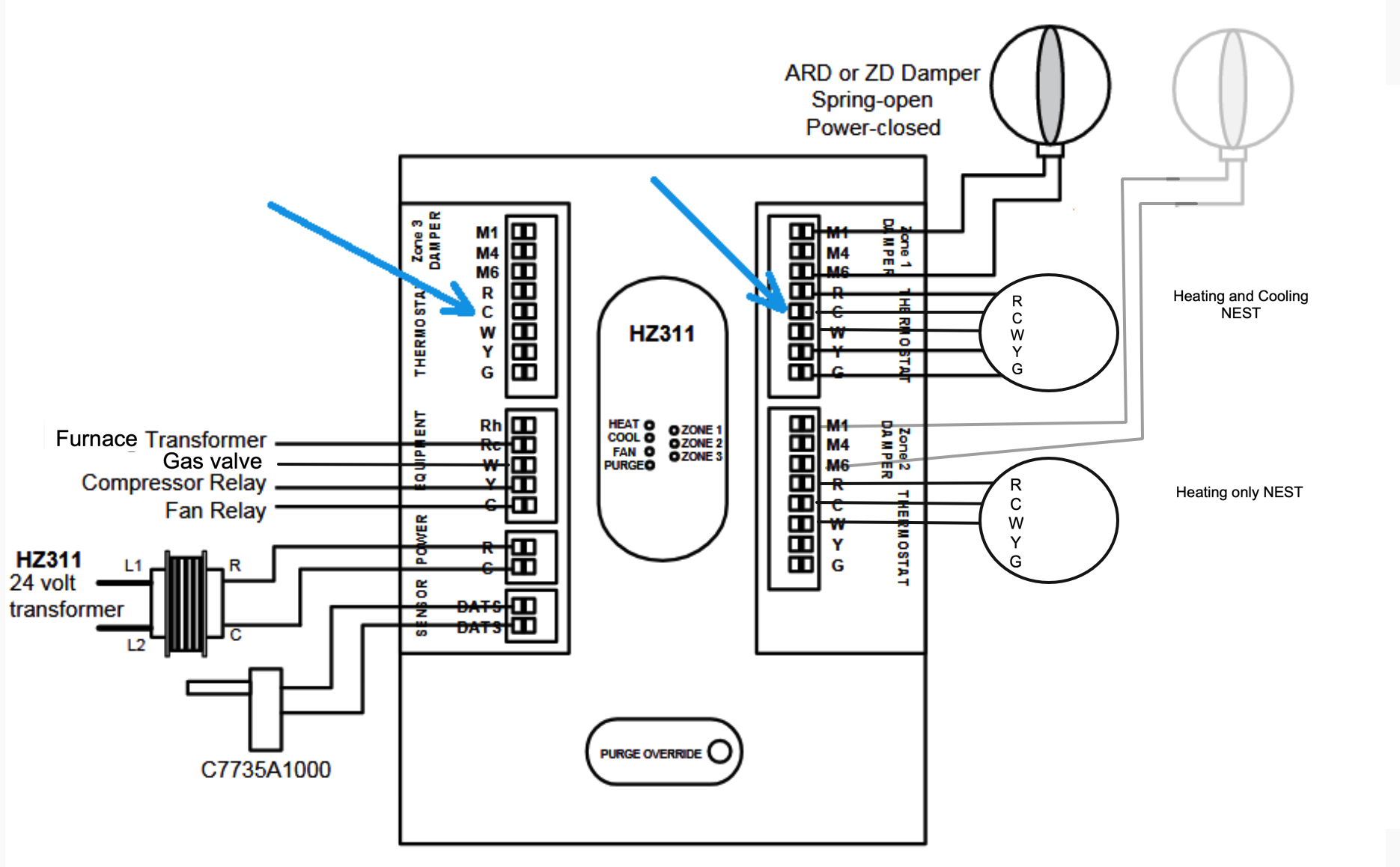
First, note that there are TWO terminal strips on the HZ311 — not just one. The thermostat connects to the UPPER one.
Disconnect the thermostat and jumper between R and W on the terminal strip. The boiler should fire up and the circulator pump run. Lift the jumper and they should stop.
OK so far?
Connect the thermostat wires to R and W at the control, but leave them disconnected at the thermostat. The boiler or circulator should NOT run.
OK?
Connect R and W togetherr at the thermostat end. The boiler should run.
OK?
Now connect a two terminal (maybe that old battery operated one?) to R and W and use it to turn the boiler on and off.
OK?
Now's the fun part. Figuring out which terminals on the HZ311 will give you constant power at the Nest…
Br. Jamie, osb
Building superintendent/caretaker, 7200 sq. ft. historic house museum with dependencies in New England1 -
If you have full control (On - Off) of the heat at the thermostat's location by touching the wires R & W wires, I would definitely use (connect) the C wire on the thermostat and the HZ311. You may not need the G connections unless you want (need) fan control. Depending on the thermostat the Rh and Rc may need a jumper.
The C wire provides constant 24 VAC power to the NEST.
It is interesting you had the same symptoms with two different thermostats. I'd suspect the wiring or heating equipment.
National - U.S. Gas Boiler 45+ Years Old
Steam 300 SQ. FT. - EDR 347
One Pipe System1 -
-
first thing @briandonahue1800 says: "I have a gas fired furnace system in a customers house"
And I do not see any mention of a boiler or a zone valve. so Where did that come from @Jamie Hall and @109A_5 ?
Ok from what I am reading here Brian, has a customer where you have R W and G connected to the old thermostat. The G wire us used to operate a fan on switch or a fan when the heating or cooling circuit is controlled by the thermostat. (on a gas furnace the furnace operates the ductwork blower fan and the G wire is not needed.) When you decided to use a smart thermostat you need to free up a wire in order to use it as a C or common wire.
The Nest thermostat should be wired R from HZ311 Zone thermostat to the R on the NEST. The W from HZ311 Zone thermostat to the W on the NEST. Finally the C on the HZ311 Zone thermostat to the C on the NEST. This will leave you without a G to operate the fan independently as the old Honeywell used to.
Are you following me so far?
This would be the logical rewire for the NEST thermostat to the heat only zone: See zone 2 below.
This presents a problem if Zone 2 is also to be cooled using the Zone 1 heating and cooling thermostat. I don’t know how that would have worked in the summer with only three wires on the Zone 2 damper, since there is no way to open the Zone 2 damper when Zone 1 is calling for cooling, and there are no cooling wires to the Zone 2 thermostat.
However, I am not sure how the system operated for cooling prior to the Nest thermostat(s) installation. Perhaps that is the way it was designed on purpose.
Edward Young Retired
After you make that expensive repair and you still have the same problem, What will you check next?
0 -
Stupid assumption.
Br. Jamie, osb
Building superintendent/caretaker, 7200 sq. ft. historic house museum with dependencies in New England0 -
Sounds like a wiring issue, not the thermostat. For a gas furnace with that HZ311 zone board, you should have:
- R (24V power)
- W (heat call)
- G (fan)
- C (common - if Nest requires it)
The Nest needs a C-wire for power. If you don't have one connected, that could be why it's not satisfied/shutting off properly.
Check at the zone board: Is there a C terminal? If yes, run that wire to the Nest. The constant call for heat sounds like the Nest isn't getting stable power and can't properly control the relay.
Also double-check the zone board itself—if it's stuck calling for heat even with the thermostat wired correctly, the board might be faulty. Try jumping R to W directly at the board to see if it cycles properly.
Hope that helps!
See My Location https://maps.app.goo.gl/VbuaHxLQc1XKsoWp6
0 -
No assumption of a boiler here, just the closest, simplest diagram in the HZ311 manual to show where the C wire connection is.
I clearly stated " You may not need the G connections unless you want (need) fan control. "
National - U.S. Gas Boiler 45+ Years Old
Steam 300 SQ. FT. - EDR 347
One Pipe System0 -
thanks everyone. Again this was happening on a honeywell battery tstat too. Could be a damper/furnace issue?
0 -
So neither thermostat has the capability to operate air conditioning, yet the Equipment side is clearly using the Y terminal.
Does this furnace have a dehumidifier ducted to it? There's 2 white wires that land on W on the Equipment side. One white wire should go to W on the furnace control board. Where does the other white wire go?
In the pic you posted, Zone 1 is calling for heat. Is that the problem zone? If so, it's the wiring to the thermostat, or the zone panel itself if the thermostat is turned down.
The "Power" terminals on the zone panel are fed by a separate thermostat wire. That means the zone panel SHOULD be powered by a dedicated 40 va transformer thats probably mounted in the blower compartment. That transformer powers the zone panel, the thermostats (if 24 volt powered), and thermostat switching in the panel. The Equipment side is powered by the furnace OEM transformer. Never the two shall meet. That's why the Common (Blue wires) from the furnace board is spliced through without landing on the zone panel.
I believe your problem is on the Equipment side of the zone panel. Where are the other wires going?
0 -
Remove (disconnect) this white wire, what happens ???
National - U.S. Gas Boiler 45+ Years Old
Steam 300 SQ. FT. - EDR 347
One Pipe System0 -
yeah zone 1 is problem zone. No dehumidifier ducted to it. Theres one on the other furnace in the mechanical room. I will double check where white equipment wiring is running when i go back. Thank you
0 -
As I see it, there may be some unconventional thermostat wiring going on here. When there is no call for heat or cooling, spring-open/power-closed dampers will be in the open position. That could allow the air conditioning to operate because all dampers are open, by wiring the thermostat Y terminal directly to the Y terminal on the furnace in some unconventional “Frankenstein” wiring arrangement that may have worked with a standard 2-wire heat thermostat.
In that scenario, the furnace transformer could have been used for cooling, while the zone panel transformer operated the heating system—somehow avoiding interference between the two transformers, even though they were indirectly tied together through the thermostat wiring by use of the Rc and Rh terminals on the old thermostat for heat and cool function. That is not a proper or recommended configuration, but it can sometimes appear to function.
With the addition of a smart thermostat, the situation changes. A smart thermostat requires a common (C) wire, and that C must be matched to the same transformer as the R (hot) connection. This cannot be done reliably if two different transformers are involved in the control circuit, as described above.
To get this system working properly, you will need to start from scratch and follow the standard wiring configuration. Both zone thermostats should control heating and cooling through the the HZ311 zone panel, and only the zone panel’s equipment terminals should connect to the furnace.
What you have now is not a stable control scheme, and there is no simple fix. The correct approach is to remove all the existing wiring and rewire the system from scratch according to the HZ311 panel manufacturer’s instructions, without deviation.
Edward Young Retired
After you make that expensive repair and you still have the same problem, What will you check next?
1 -
Thank you Ed the heater man.
When i remove W, heat stops. Just looking for a temporary fix so the heat shuts off when it hits setpoint but im now leaning toward re wiring the whole thing
0 -
Well if the heat stops when the W wire is disconnected from the HZ311.
It is the thermostat wiring or the thermostat. Since the problem started with a battery powered thermostat I would suspect the thermostat wiring.
If you reconnect the W wire at the HZ311 and disconnect the W wire at the thermostat and the heat continues it is the thermostat wiring. Maybe a staple rubbed through or rodent damage, which is making an unwanted connection between the R wire and the W wire between the HZ311 and the thermostat location.
National - U.S. Gas Boiler 45+ Years Old
Steam 300 SQ. FT. - EDR 347
One Pipe System1 -
yeah that was my first thought but its not the wiring, i wired the thermostat at the zone board to rule it out
0 -
What was the result of this experiment ?
National - U.S. Gas Boiler 45+ Years Old
Steam 300 SQ. FT. - EDR 347
One Pipe System0 -
Another possible scenario is the the battery operated thermostat actually failed calling for heat. The NEST W wire parasitic current draw is enough to trip the HZ311 into a call for heat.
Structured analytical testing with a multimeter should bring understanding to the situation.
National - U.S. Gas Boiler 45+ Years Old
Steam 300 SQ. FT. - EDR 347
One Pipe System0 -
If you removed the white wire from W on the thermostat side of the zone panel and it stopped, then the problem is the wiring or the thermostat. You pick.
0 -
why are there 2 W wires on the equipment station?
And a red wire on G?
0 -
all signs point to thermostat being the issue but its not. And its not a short in the wire. I also was confused about 2 white wires being at equipment W
0 -
So it is repaired now, or ?
National - U.S. Gas Boiler 45+ Years Old
Steam 300 SQ. FT. - EDR 347
One Pipe System0 -
Well then I got nuthin. Gremlins?
0 -
If the heat continues without a continuous circuit between the thermostat terminals on the control board, try one last trick: disconnect the T-T wires from the boiler to the board. Your claim to have proved that it's not the thermostat or the thermostat wires. If you disconnect one of the boiler control wires at the board and the boiler stops, it's the board. If you disconnect at the boiler and it stops, it could also be the wires from the board to the boiler.
Br. Jamie, osb
Building superintendent/caretaker, 7200 sq. ft. historic house museum with dependencies in New England0
Categories
- All Categories
- 87.6K THE MAIN WALL
- 3.3K A-C, Heat Pumps & Refrigeration
- 59 Biomass
- 430 Carbon Monoxide Awareness
- 124 Chimneys & Flues
- 2.2K Domestic Hot Water
- 5.9K Gas Heating
- 120 Geothermal
- 168 Indoor-Air Quality
- 3.8K Oil Heating
- 78 Pipe Deterioration
- 1K Plumbing
- 6.6K Radiant Heating
- 394 Solar
- 16K Strictly Steam
- 3.5K Thermostats and Controls
- 56 Water Quality
- 51 Industry Classes
- 51 Job Opportunities
- 18 Recall Announcements









