Welcome! Here are the website rules, as well as some tips for using this forum.
Need to contact us? Visit https://heatinghelp.com/contact-us/.
Click here to Find a Contractor in your area.
If our community has helped you, please consider making a contribution to support this website. Thanks!

HELP! Runaway Heat

Options
Smarsh
Smarsh Member Posts: 9

Hi,

We have gas fired baseboard hot water heat. There's 2 zones, but because of other work I've been doing on the house, I've had it running as 1 zone for the last 2 years.

All of a sudden the heat starting taking off. We noticed it was quite warm and it was 79 degrees. We have a 15 year oldish Aube thermostat. My 1st thought is that it died because testing, no mater how low I set the heat, it wouldn't shut off. Testing further, it can turn the air on and off, but the off click sound from an internal electrical relay wasn't clicking.

I turned the power off at the boiler to stop the heat. I checked the wires - all good. I replaced the batteries and restarted, no different.

I just installed a very simple new thermostat and again, it won't shut off the heat. I'm thinking it's a relay in the boiler but need some expert input from people here.

It's a 25 year old Weil Mclain boiler.

Help please!

Thanks guys.

 

Comments

  • mattmia2
    mattmia2 Member Posts: 16,739

    Did the burner shut off when you shut the switch off? If not, turn off the manual gas valve.

  • 109A_5
    109A_5 Member Posts: 3,978
    edited November 2025

    " There's 2 zones, but because of other work I've been doing on the house, I've had it running as 1 zone for the last 2 years. "

    I'd verify that the wiring change is still intact and not causing the problem.

    " but the off click sound from an internal electrical relay wasn't clicking. "

    If the thermostat circuit is defective (not the actual thermostat) the relay would be stuck on and would not click. Could the 'other work' have compromised (shorted) the thermostat wires ?

    Any zone valves and/or zone valve controller ? Zoned by circulators, switching relays or switching controller ?

    The boiler model would help so the wiring diagram can be looked up.

    National - U.S. Gas Boiler 45+ Years Old
    Steam 300 SQ. FT. - EDR 347
    One Pipe System
  • HVACNUT
    HVACNUT Member Posts: 7,434

    2 Zone valves and 1 circulator, or 2 circulators?

    What wiring change was made to make 2 zones operate from one thermostat, and is it still that way?

    What model Weil McLain? Can you post pics of the boiler, piping, and controls? Not closeups. Stand back if you can so we can see how everything ties together.

  • Jamie Hall
    Jamie Hall Member Posts: 27,355

    Start with disconnecting the thermostat wires (R and W) at the thermostat itself. Heat shuts off? It's the thermostat. Heat doesn't shut off? Rats. Go to the other end of the thermostat wires and disconnect the wires there. Heat shuts off? It's the wires. Heat doesn't shut off? Something in the controls…

    Br. Jamie, osb
    Building superintendent/caretaker, 7200 sq. ft. historic house museum with dependencies in New England
    HomerJSmithGrallerthot_rod
  • Ironman
    Ironman Member Posts: 7,903

    If you have zone valves, the thermostat opens them, and once they’re open, the end switch in the valve signals the boiler to fire. You may or may not have a zone valve control panel between the valves and the boiler. It could be that one of the valves isn’t closing or its end switch is stuck closed.

    Some pics of the valves, controls, boiler and its near piping would be helpful as your description is incomplete.

    Bob Boan
    You can choose to do what you want, but you cannot choose the consequences.
  • Smarsh
    Smarsh Member Posts: 9

    The 2 zones into 1 has zero to do with it. It's been that way for a long time. There are 2 zone valves and 1 circulator. I simple have the one zone valve locked open at the boiler so any water that circulates when the first zone is triggered flows into that 2nd zone. Nothing electrical.

    @Jamie Hall: Good input on the wire testing. At the thermostat disconnecting the wires did nothing. I started to disconnect the white wire inside the boiler and as soon as the wires began to separate the relay clicked and off went the boiler. So I got a 3 foot length of wire and brought the thermostat to the boiler and connected everything and the system runs fine. So it has to be the wire. The wire is exposed along the main beam in the basement. No rats/mice have touched it and would struggle to get to it, so I'm trying to figure how there's a problem and if I can replace part instead of all which is a big pain.

    Any thoughts on finding the bad spot?

    Thank you everyone for your help on this!!!!

  • mattmia2
    mattmia2 Member Posts: 16,739

    inspect it. wire rarely fails without physical damage. especially look for uninsulated staples that may have cut in to it and shorted it

    HomerJSmith
  • HVACNUT
    HVACNUT Member Posts: 7,434

    If you can't find the short, or run a new wire, there's always wireless.

  • pecmsg
    pecmsg Member Posts: 7,053

    When you locked that zone valve open it should have sent a signal to start the boiler. Some wiring changes needed to be made.

  • 109A_5
    109A_5 Member Posts: 3,978

    Are your zone valves not electrical ???

    Typically, electrically the thermostat controls the zone valve and the zone valve controls the boiler. Since it seems the boiler and its relay work normally. With all thermostats off, one at a time disconnect the wire that goes to the boiler at each zone valve. When the offending zone valve's 'End Switch or Auxiliary switch' is disconnected the boiler will shut down, if not it is the wire between the End Switches and the boiler that is shorted.

    Once the offending zone is identified, disconnect the thermostat wire to that zone valve, at the zone valve, see if the boiler shuts off.

    Assuming the zone with the manually opened zone valve is not the problem is a flawed strategy, if those thermostat wires are shorted somewhere that zone could still activate the boiler.

    Any work going on in the house when the problem started, it may be a clue.

    National - U.S. Gas Boiler 45+ Years Old
    Steam 300 SQ. FT. - EDR 347
    One Pipe System
  • 109A_5
    109A_5 Member Posts: 3,978

    What the 'End Switch or Auxiliary switch' does in the manual mode may be brand or model specific.

    image.png
    National - U.S. Gas Boiler 45+ Years Old
    Steam 300 SQ. FT. - EDR 347
    One Pipe System
    Alan (California Radiant) ForbesGrallert
  • Smarsh
    Smarsh Member Posts: 9
    edited November 2025
    IMG_9234.jpg IMG_9235.jpg IMG_9238.jpg IMG_9241.jpg

    I'm back!

    I thought it was the boiler to thermostat wire and have been testing. I had put the thermostat back in place w/new batteries and all was fine. That was after testing with a thermostat connected to short jumper wires at the boiler which worked nicely.

    However…

    Everything has failed again. Running a thermostat on the jumpers at the boiler doesn't work anymore and the system never shuts off.

    The 2 zones into 1 has zero to do with it. It's been that way for a long time. There are 2 zone valves and 1 circulator. I simple have the one zone valve locked open at the boiler so any water that circulates when the first zone is triggered flows into that 2nd zone. They are Honeywell V8043 Zone Valves designed for that as 109A_5 points out.

    Tearing my hair out, for the hell of it, I unlocked the zone without a thermostat and the valve did not close. I figured maybe it's been locked open so long that something froze in that position. I then tried with the thermostated zone and same thing. Both motors are roughly 5-6 years old, so ****???

    I've been manually powering the boiler on and off via the emergency shut off switch (120V) on the wall. This morning while it was running, I pushed close both valves. The one w/no thermostat had no effect. When I closed the thermostat connected valve, the boiler shut off, the flu vent closed, but the pump kept on pumping. Even cycling the emergency shut off has no effect on the pump when it's in the on position.

    No one has touched the wiring in 10+ years except for me attaching the thermostat where the wire nuts are off. I have to think this issue is in the valve electrical circuit but know nothing about it.

    Thoughts guys???

    Thank you!

  • 109A_5
    109A_5 Member Posts: 3,978

    There are 4 switches and some wiring to deal with, that is it. Two 'End' or 'Auxiliary' switches in the Zone valves and two thermostats (and one thermostat I think you said is disconnected).

    Disconnect either of these wires, what happens ? If the boiler shuts off or does not come back on (if you shut off the boiler to disconnect the wire) the issue is in the Zone Valve / Thermostat circuit.

    image.png

    With all thermostats off, one at a time disconnect the wire that goes to the boiler at each zone valve. When the offending zone valve's 'End Switch or Auxiliary switch' is disconnected the boiler will shut down, if not it is the wire between the End Switches and the boiler that is shorted.

    Once the offending zone is identified, disconnect the thermostat wire to that zone valve, at the zone valve, see if the boiler shuts off.

    National - U.S. Gas Boiler 45+ Years Old
    Steam 300 SQ. FT. - EDR 347
    One Pipe System
  • 109A_5
    109A_5 Member Posts: 3,978
    edited November 2025

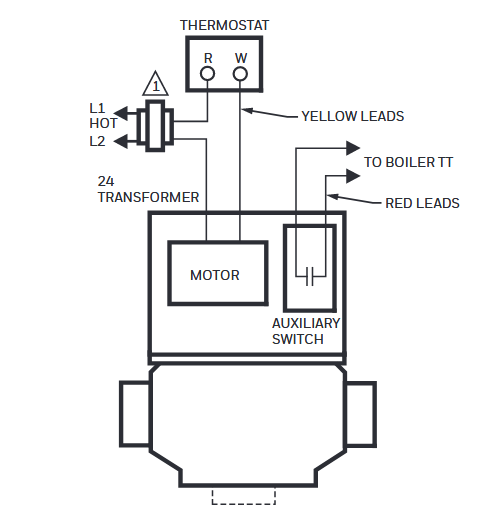
    For two zones the zone valve's auxiliary switches are paralleled.

    image.png

    In other words the Thermostat(s) call for heat powers the zone valve motor. The motor turns the valve.

    When the zone valve gets to the end of its travel (valve completely open) the 'End Switch or Auxiliary switch' closes activating the boiler.

    National - U.S. Gas Boiler 45+ Years Old
    Steam 300 SQ. FT. - EDR 347
    One Pipe System
  • 109A_5
    109A_5 Member Posts: 3,978

    "It's been that way for a long time." Not sure what that proves anything, most things operate correctly for a long time until they don't. Then they need repair.

    "When I closed the thermostat connected valve, the boiler shut off, the flu vent closed, but the pump kept on pumping. Even cycling the emergency shut off has no effect on the pump when it's in the on position."

    Sound like you have more than one issue. The thermostat wiring issue and the 'emergency shut off' should shut off the circulator, unless you have other control equipment you have not mentioned.

    Try disconnecting the Yellow wires of the zone valve of the "thermostat connected valve".

    National - U.S. Gas Boiler 45+ Years Old
    Steam 300 SQ. FT. - EDR 347
    One Pipe System
  • Smarsh
    Smarsh Member Posts: 9
    edited December 2025

    Thanks everyone!

    I followed the latest comments here and am 99.99999% sure the issue is solved. It seems the zone valve motor on the zone valve I have running the whole house right now is weak. I pulled out the motor and direct wired it to test it and it didn't sound great but turned. I was able to hold it back. I pulled the motor on the temporarily sidelined valve and could not hold that one back and it was silent. I also pulled the limit switch on the troubled valve and was able to manually control the boiler by toggling it on and off.

    Right now I put in a jumper wire to run the house from the working valve and the thermostat in the other zone. I'll order a new motor today.

    Thanks again!!!

  • Grallert
    Grallert Member Posts: 1,117

    It's pretty common for those Honeywell valve to "stick". Sometimes it is the motor but they usually just fail. Often times it's the valve stem itself that gets tight, for what ever reason. That stem should be easy to move with just you fingers.

    Miss Hall's School service mechanic, greenhouse manager, teacher, dog walker and designated driver