What kind of relief valve for an electric boiler?
I'm installing a monobloc heat pump.
On the glycol loop I'm installing a 9KW Thermolec backup electric boiler on a secondary loop via closely spaced tees from the main 1-1/2" glycol loop.
What is the proper relief valve to add to the output of the electric boiler? The manual only calls out a "safety valve". I think I only need pressure relief, not a T&P?
If it matters, the output of the boiler is on the side (horizontal), 1-1/2" FPT. I need to convert to 1" for the secondary loop piping.
Thanks.
Comments
-
What is the pressure rating of the LOWEST rated component? It may not be the boiler… you want a safety valve of that rating or lower, also rated for the output of the electric boiler.
Br. Jamie, osb
Building superintendent/caretaker, 7200 sq. ft. historic house museum with dependencies in New England0 -
it’s an electric boiler. Pressure and temperature
Back flow preventer on inlet water if tied in.
0 -
Usually pressure and BTU capacity is how you would size a hydronic relief valve.
This is the valve that shipped with my Viessmann Vitocal HP. Is has a 6 KW back up element built into the indoor module. The BTU capacity is probably a bit on the high side :)
Bob "hot rod" Rohr
trainer for Caleffi NA
Living the hydronic dream2 -
No inlet water in the system, it's a glycol feeder.
30psi is recommended by monobloc manual.
0 -
-
The temp of a t&p valve is too close to the operating temp of an electric boiler, a hot spot could easily cause it to blow off so as far as I know boilers require a pressure only relief valve.
0 -
If it is an electric boiler it should be shipped with the valve or at the least the mfg should tell you what to use and how it should be installed.
Seems to me a lot of liability for the boiler mfg not to provide a valve.
Its been a very long time since boilers and water heater were shipped without relief valves.
4 -
Bob "hot rod" Rohr
trainer for Caleffi NA
Living the hydronic dream0 -
-
-
-
No hx, glycol through the heating zones. In my case, the heating zones are toester fan forced coils.
This is an Enertech system. The manual suggests a 30psi relief valve if required by local codes, but does not say its mandatory (page 25).
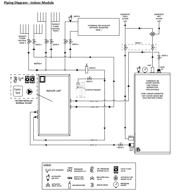
The backup electric boiler is connected as shown:
The DHW is via a 80Gal. Turbomax reverse indirect hot water tank. It's not shown on the drawing below, but the tank did come with a 30psi pressure relief for the storage tank (glycol side). I'll be adding a T&P to the DHW side:
0 -
One determining factor would be if the component can be isolated off from common piping that has the relief, it should have a dedicated pressure relief device.
The Vitocal came with relief valves and fittings, installation manual shows a valve on the indoor and outdoor units. They seem pretty clear about installing relief valves.
Relief valves protect your investment and they are fairly inexpensive. Plenty of choices out there.
Also be sure to include the glycol % when sizing the expansion tank.
Bob "hot rod" Rohr
trainer for Caleffi NA
Living the hydronic dream0
Categories
- All Categories
- 87.4K THE MAIN WALL
- 3.3K A-C, Heat Pumps & Refrigeration
- 61 Biomass
- 430 Carbon Monoxide Awareness
- 120 Chimneys & Flues
- 2.1K Domestic Hot Water
- 5.8K Gas Heating
- 115 Geothermal
- 168 Indoor-Air Quality
- 3.7K Oil Heating
- 77 Pipe Deterioration
- 1K Plumbing
- 6.5K Radiant Heating
- 395 Solar
- 15.7K Strictly Steam
- 3.4K Thermostats and Controls
- 56 Water Quality
- 51 Industry Classes
- 50 Job Opportunities
- 18 Recall Announcements













