Welcome! Here are the website rules, as well as some tips for using this forum.
Need to contact us? Visit https://heatinghelp.com/contact-us/.
Click here to Find a Contractor in your area.
If our community has helped you, please consider making a contribution to support this website. Thanks!

BAXI DuoTec 40 GA

Options
2»

Comments

  • 109A_5
    109A_5 Member Posts: 4,110

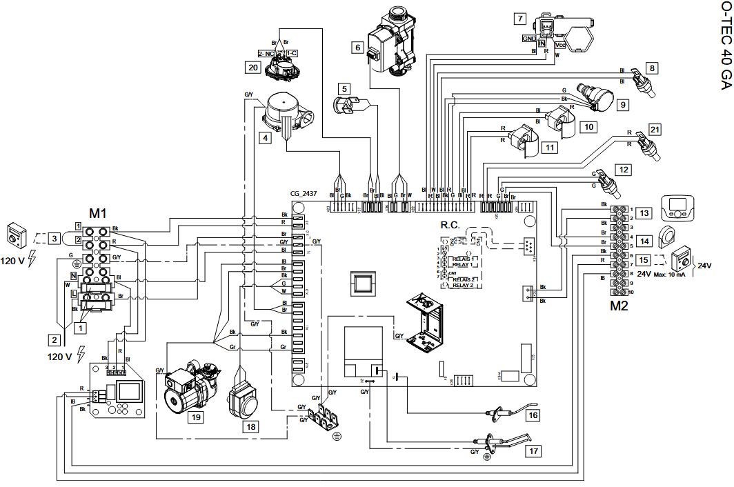
    Since the control board was changed and you seem to have resolved the original issue, I'd verify all the wires going to the control board are where they are supposed to be. Especially items 6, 16, 17, and all the G/Y ground wires.

    image.png image.png
    National - U.S. Gas Boiler 45+ Years Old
    Steam 300 SQ. FT. - EDR 347
    One Pipe System
  • geofear
    geofear Member Posts: 22

    no. I am stuck with the 133 code, and calls for heat of DHW are ignored, as the 133 gets reset and immediately is triggers again.

  • 109A_5
    109A_5 Member Posts: 4,110
    edited April 5

    Since the flow switch (temperature sensor) now seems operational, the next step for the burner to start is the inducer fan should start and run, item 4 in the wiring diagram above. Since the control board was changed I'd suspect incorrect wiring. Was the fan independently tested ? Earlier in the thread you stated it was tested good.

    image.png
    National - U.S. Gas Boiler 45+ Years Old
    Steam 300 SQ. FT. - EDR 347
    One Pipe System
  • 109A_5
    109A_5 Member Posts: 4,110

    The curious thing is the fan has its own error code. Not sure why the error code logic would skip a fan code if the fan is not working and go to an Ignition Failure code.

    image.png
    National - U.S. Gas Boiler 45+ Years Old
    Steam 300 SQ. FT. - EDR 347
    One Pipe System
  • pedmec
    pedmec Member Posts: 1,396

    Have you removed the igniter and check to see if you are getting a spark. the error code is ignition failure. bring the igniter out so you can see it.

  • GGross
    GGross Member Posts: 1,910

    have you purged the air from the heat exchanger with a purge pump yet? would be the first thing to do for a no flow scenario

    Alan (California Radiant) Forbes
  • nate379
    nate379 Member Posts: 158
    edited April 25

    Place I bought in 2022 had a Baxi. After 5 or 6 service calls while during the process of buying, the seller elected to put a new boiler in as the sale was held off on the place having working heat and hot water. Parts were hard to get, either had to come from Italy, eBay or scavenged from torn out units (the heating guy had installed them for some years)

    Ended up with a Vesta, which has worked fine, but I've found there's no support, no parts available. Not even sure how it came to the state and ended up in my place (I didn't have a say in it) The company exists, but not sure who is buying them as there's almost no info online for them.