Welcome! Here are the website rules, as well as some tips for using this forum.
Need to contact us? Visit https://heatinghelp.com/contact-us/.
Click here to Find a Contractor in your area.
If our community has helped you, please consider making a contribution to support this website. Thanks!

Need help with single pipe steam system

Options
Day_Tripper
Day_Tripper Member Posts: 46
edited February 5 in Strictly Steam

I've been posting in a few other threads and figured it would be more respectful to start my own thread.

Overview

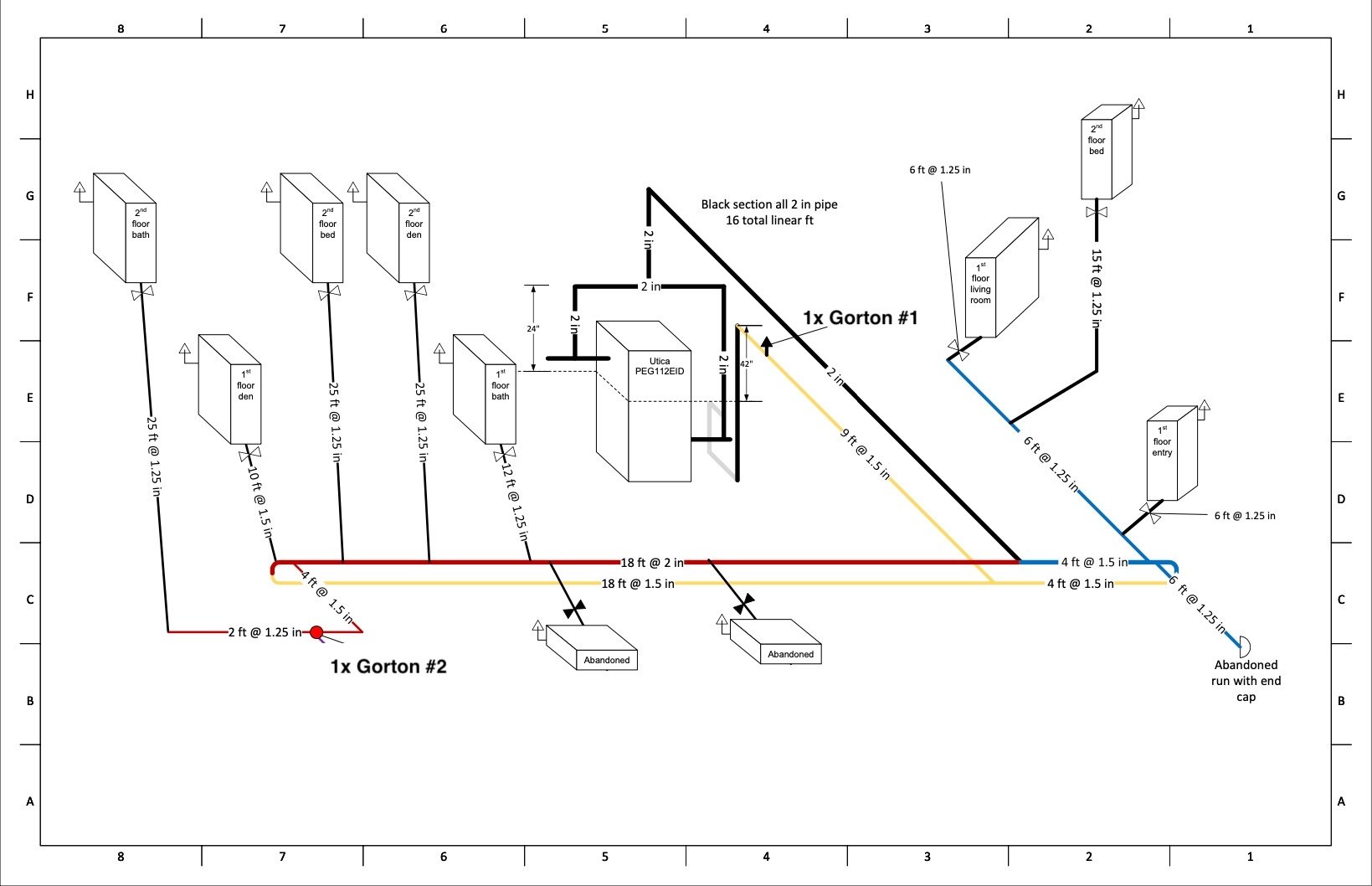
1930s home in the Detroit area with a single pipe steam system with all new Gorton main and radiator vents sized correctly from my calculations. My main issue is I want to stop the leaks in my system so I don't have to use so much make up water (~once per week). I have checked my boiler for leaks by overfilling and did not notice any water dripping, so I would like to rule that out. I am also aware that vents fail etc and that the problems most likely relate to pipe pitch. I just want to express/define my issues and get actionable feed back on what I can do now to resolve them and determine if any vents need replacing.

Issues

  1. Leaking mains: My video below (@~19m mark) shows my #1 leaking. I have since replaced this with another #1 and it looks ok for now. My #2 (@21m:30s mark) still hisses during operation. I don't know if this vent has failed open because it hisses a bit but it does not drip water at all like my #1 did.
  2. Cold panting/wheezing 2nd floor bath rad: (7m:30s mark I discuss this). The piping in my laundry room where my #2 is has a bunch of stupid turns (my diagram below is simplified) and is likely sagging at a union before the rise takes up to the 2nd floor. I believe the hissing #2 and the sagging/pooling related to issues #1 above.
  3. Hissing rad vents: My 1st floor living room and 1st floor entry way have slight to moderate hissing during operation.

Given the information here please recommend a few steps I can take short term to alleviate the above issues, and help me identify what (if any) vents are in need of replacement.

System diagram + Youtube video

System Diagram.jpeg

Recent video I made showing the system in operation:

Thanks all

Comments

  • Captain Who
    Captain Who Member Posts: 741
    edited February 5

    Did you use an inspection mirror yet to check all vents? Anything beyond the briefest of fogging constitutes a leaky vent. You'll be able to tell which ones are the worst; it'll be so obvious.

    Also, it is important to give the main vents an air cushion from the effects of water hammer, which I believe you have done but double check:

    2026-02-05_12-38-57.jpg
    Day_Tripper
  • Day_Tripper
    Day_Tripper Member Posts: 46

    Thank you @Captain Who I attempted to put my phone screen near the vent and I believe it did fog up somewhat. I just don't know what constitutes what is an 'acceptable' amount. The radiator does fully heat up, like screaming hot and will hold heat, if that means anything. For the sake of argument, lets say the vent has a leak. Let's walk backwards and address why it has this issue before I decided to replace it.

    Concerning the main venting, yes my #1 has the correct piping. The #2 however does not have enough spacing above the pipes to lift it up more than the current 90deg elbow before it hits the 1st floor subfloor. The #2 sits at the end of the long 'red' main with 2 x 90 deg turns before the main vent so it's ok at best, but not as bad as the above example.

  • Captain Who
    Captain Who Member Posts: 741

    OK well check every single one through a whole burner cycle, not with a phone but an inspection mirror with a pivoting mirror. They aren't that expensive. Just a few seconds of fogging should be the max. permissible really, at least with dry steam, ie. dryness factor 97% or more.

    It is a pain to check pipes that have insulation on them, especially when you are looking for dips. I'd bite the bullet and check the one you suspect the most of having a problem by removing the insulation and use a very short in length magnetic type level. You will obviously looking for the low spot where one side tips downward towards the low spot and so does the other side. Can't use a long level for this.

    Day_Tripper
  • Big Ed_4
    Big Ed_4 Member Posts: 3,495

    How much water are you adding ?

    There was an error rendering this rich post.

    Day_Tripper
  • Day_Tripper
    Day_Tripper Member Posts: 46
    edited February 5

    @Captain Who alright. I'll pick up an inspection mirror on my next big box store run. Concerning the pipe pitch, I took my level and found what I expected in the laundry room. There is a dip in the pipe at the union. I added some strapping and it's a bit better now. One side pitches back towards the boiler and the other side is now level(ish).

    @Big Ed_4 I don't have an exact amount. Once a week I'd say the boiler is at the bottom 1/3 of the sight glass after it has stopped heating. From there I top it up to the middle. So maybe 1/4 gal a week, no clue really. During the cold streak last week or so I was topping it back up around every 3 days. That combined with my broken Gorton #1 I was filling it up a lot.

    Captain Who
  • Captain Who
    Captain Who Member Posts: 741
    20260124_070402.jpg

    You can simply tape a 6 in. engineering scale to your sight glass like this and keep a small notebook next to the boiler. Do daily checks and jot down the reading. Also jot down when you add and how much. Of course you have to have a place to add to do that. I have some stainless steel nipples and a tee between the boiler and the Pressure Relief Valve that I can open a ball valve, stick a funnel in and add.

    Day_Tripper
  • geemalar
    geemalar Member Posts: 87
    edited February 6

    FWIW My single pipe system has a Gorton D as its main vent in the “wrong” position for the 20 years I live in this house. I have plans to improve the main venting once the heating season ends, but for now it appears to vent properly until it heats up and closes.

    @ Captain Who - I aspire one day to have as clean a boiler water as that. Also another post season planned task. May I ask……what do the 2 magic marker lines above and below the tape represent. Does that have to do with the return being slightly higher than ideal ( I believe you have indicated that before).

  • Captain Who
    Captain Who Member Posts: 741

    I actually had to think for a bit about the identity of those two lines. The one above the tape is as far as you can drain the boiler by the return drain valve through the High Hartford Loop. The lower one is how far the boiler water has to be drained to trip the LWCO to shut off the boiler.

  • patrykrebisz
    patrykrebisz Member Posts: 106
    edited February 6

    your no 1 (near the boiler) is junk.

    your no 2 should shut off the hissing at some point. it could indicate it's failed open OR that it's still releasing air from the system. (in which case you should add another vent next to it)

    double check that your pressuretrol indeed shots down the boiler at 1.75psi (as it seems now in the video). this "precision" is OK for such a crude device.

    your mains are so well insulated (keeping basement cold) that a small amount of condensation from vents might be inevitable.

    panting in your 2nd floor bathroom is from the pipe not being insulated running through your cold basement.

    »»» See my steam heat YouTube videos:
    https://www.youtube.com/@HeatingBlog

    Day_Tripper
  • dabrakeman
    dabrakeman Member Posts: 979

    Maybe I mentioned it before, don't remember, but I personally would not vent back at the boiler in your situation. You could move the #1 (a working one) out to either the junction or the end of the abandoned 6ft section. No need to wait for steam to fill the long return. Your radiators off the short main would then have total takeoffs of ~ 6, 27ft and 18ft which isn't much different than the takeoffs off the long main after the Gorton #2 would close of 27, 10, 25, 25 and 12ft. The Gorton#1 currently may be having issues dealing with both the steam and all that condensate.

    Doesn't sound to me like your makeup water is exceptionally high but if a main is not closing completely then that will contribute a lot and as mentioned each and every radiator vent needs to be inspected with mirror after steam has reached the vent to verify complete closure within seconds.

    Day_Tripper
  • leaking
    leaking Member Posts: 153

    Im just a building owner so im just asking a question. A quart a week! Isn’t that normal? Do you have Auto water feed? If you think pipes are leaking a moisture meter can find leaks easily. My old valves had to be repacked as they leaked bad and a few radiators leaked at fittings. But a quart a week is a lot less than I loose🤣

    Day_Tripper
  • ethicalpaul
    ethicalpaul Member Posts: 8,600

    he said he guessed a quart a week but he also said he fills from LWCO line once a week. That ain’t no quart

    NJ Steam Homeowner.
    Free NJ and remote steam advice: https://heatinghelp.com/find-a-contractor/detail/new-jersey-steam-help/
    See my sight glass boiler videos: https://bit.ly/3sZW1el

    Day_Tripper
  • dabrakeman
    dabrakeman Member Posts: 979

    From 1/3 to middle once per week. I am sure I am using about that much a week.

    Day_Tripper
  • Day_Tripper
    Day_Tripper Member Posts: 46

    To reiterate for everyone that skimmed my post or didn't want to watch a 40 min video.

    My #1 has been replaced and no longer leaks.

    I'm not going to move the placement of my main vent any time soon, and I won't use the abandoned run area because it's not accessible.

    I took some time in the last few days to repitch my radiators and strap a sagging pipe.

    The hissing has all but stopped. The cold radiator in my 2nd story bathroom is working better now but still not getting as hot as I'd like, likely due to @patrykrebisz observation that the pipe is at the end of a long run and not insulated. I'll deal with this later.

    I don't have a meter or a way to accurately quantify my water usage so let's all end that side bar. Whatever it was, the situation is now way better.

    Everything is much better now so unless something changes I'm ready to wind this thread down. Thanks all!

    ethicalpaul