Wiring Inside Boiler - C Wire Question
Hi. We have one pipe steam radiators that have been using a Nest 3rd Gen learning thermostat probably for about two years without an issue (this thermostat only controls the heat. Before we installed it, we had a new 5 or 8 wire bundle (sorry for not knowing correct terms) from the thermostat to the boiler, and the technician hooked up the Rh and W1 to the boiler. He said he couldn't hook up the C wire because we needed a transformer or something he didn't have, but since it was a new Nest 3rd Gen we shouldn't have to worry about it since it had power sharing. Anyway, long story short, everything has been working fine without the C wire until this weekend, where we are now getting a low batter warning. I charged it through the micro USB which resolved the issue for now, but we started wondering about hooking up the C wire. we took the panel off the boiler, and we don't understand anything about what's going on. It looks like there is a bunch of wires connected to 'C' already. Can anyone give me insights into what these bundles are, and I assume a HVAC person should be able to connect this for us?
Also, it looks like one of the wires from the thermostat is going into the blue thing that is connect to y and not W, but our thermostat has the W1 wire connected. Not sure what's going on there but seems to work? I don't want to have someone come out to fix it and then make bigger issue.
TIA!
Comments
-
You have a classic problem that steam boilers present. The C wire is unable to be connected without an isolation relay. If you had a good technician that understood how control system circuitry operated then there is a rewire that will work, but technicians like that are hard to find. The best fix is the isolation relay.
Can you show us the model number and or the wiring diagram from the boiler? It is usually on the front door panel
Here is a post from a while back that addresses your issue:
You may need to click on some of the links to open the diagrams
Edward Young Retired
After you make that expensive repair and you still have the same problem, What will you check next?
0 -
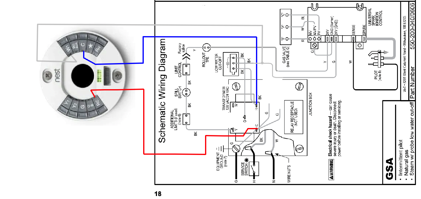
Thank you so much. It's a Williamson GSA-150N-SP Series 1 boiler. I'm not home to look at the diagram, but I think this is the link to the manual:
I noticed the Nest 4th Gen says a C Wire isn't needed. Would that be any better than our 3rd Gen, or will we still have the same issue down the road? We went with the Nest because it had the sensors we have thoughout the house. Any idea about if the Nest Power Connector is a feasible option? The wiring seems like it may cause issues if we don't get someone who knows what they are doing…
Thank you!0 -
As i mentioned above, you are running into a common wiring issue. The Nest thermostat needs a direct connection to the boiler’s power source. In your system, both the low-water cutoff and the automatic vent damper also need their own direct power connections. Because the transformer only has two terminals, there isn’t a spare, uninterrupted connection available at the thermostat terminals.
As a result, the Y or G terminals cannot be used to power the Nest. There is simply no reliable way to add a C wire without it passing through either the low-water cutoff or the vent damper. If either of those safety devices activates, it would interrupt power and the Nest would stop working.
The easiest way to get this to work is to use an isolation relay for Nest thermostat to operate with a direct connection to a transformer and the relay contacts to do the thermostat connection to Y and G
Diagram to follow
Edward Young Retired
After you make that expensive repair and you still have the same problem, What will you check next?
0 -
If either of those safety devices activates, it would interrupt power and the Nest would stop working.
Is that really a concern? I mean, if the vent damper fails you don't care if your thermostat doesn't get power, right?
NJ Steam Homeowner.
Free NJ and remote steam advice: https://heatinghelp.com/find-a-contractor/detail/new-jersey-steam-help/
See my sight glass boiler videos: https://bit.ly/3sZW1el0 -
Unless something has changed, all you need to do in order to get a C wire from that boiler is connect it to the boiler jacket. Mine is connected with the ground wire to one of the burner igniter control box mounting screws
I did change my wiring so the LWCO comes after the thermostat, but that's optional IMO especially with a Nest that has a battery.
Single pipe 392sqft system with an EG-40 rated for 325sqft and it's silent and balanced at all times.
1 -
or just buy one of these 24v transformer plugs...
0 -
Yes Paul, that really is a concern. Actually the Vent damper cuts power to the thermostat C on every call for heat being satisfied. That is not a failure of the vent damper, that is normal operation. So normal operation will cut power to the thermostat C terminal as a course of normal operation. So as a course of normal operation to the Nest will fail as a result of lost power every time the damper closes. That is really a concern!
I remember getting an error on my own Nest when the vent damper on a water boiler would interrupted the power at the end of each cycle. At that point I would need to go to the thermostat to reset the "Loss of Power" error in order to get the thermostat back online. Sometimes it would reset automatically but many times it needed human intervention. Not a good fit for any situation.
Same holds true on the LWCO side. As a course of normal operation the R terminal on the thermostat will loose power. Steam boilers often go off by way of the cycle guard or actual low water condition regularly. That is not a failure of the LWCO, but normal operation. That normal operation will cause a power failure to the R on the NEST and that will see that as a failure, not a normal thing that just happens. That also is a real concern
The Nest or any smart thermostat needs to have power from R all the way back to C for normal operation without interruption. The operating controls interrupt as a part of normal operation. So the best action is to put the Nest on an isolation relay where the R and C are not interrupted and use a relay to open and close the T T leads of the control system as shown here. (T T is actually Y and G on this appliance)
Easiest fix in my opinion.
Edward Young Retired
After you make that expensive repair and you still have the same problem, What will you check next?
0 -
@EdTheHeaterMan I've never had my vent damper interrupt the power supply on my EG series. I'm almost positive the entire vent damper circuit comes after the Tstat.
It also appears to show it as such on your posted schematic? What's not entirely clear on their schematic is that the C side of the transformer goes to the chassis ground directly, which is where I tied in. It does show it on the ladder diagram, but some may miss that detail.
Single pipe 392sqft system with an EG-40 rated for 325sqft and it's silent and balanced at all times.
0 -
It seemed like you changed your story, Ed 😅
I was responding to what you originally said:
If either of those safety devices activates, it would interrupt power and the Nest would stop working.
But regardless, it's pretty easy to test running a wire to C and then C how it goes
NJ Steam Homeowner.
Free NJ and remote steam advice: https://heatinghelp.com/find-a-contractor/detail/new-jersey-steam-help/
See my sight glass boiler videos: https://bit.ly/3sZW1el0 -
Looking at the GSA diagram above, You can clearly see that the G terminal gets power from the LWCO normally closed contacts that will open if there is a low water condition. on a Hydrolevel I believe it is the P2 terminal, NC on Taco, and #4 terminal on McDonald Miller products. That is the interruption that I am talking about.
The same thing happens on the other side of the transformer with the C terminal being interrupted by the #5 pin on the Molex connector from the transformer to the thermostat connection at the boiler's G terminal after it pass thru all the other limits and operators
Edward Young Retired
After you make that expensive repair and you still have the same problem, What will you check next?
1 -
You're 100% correct on that.
I changed mine so the LWCO comes after the thermostat.
However, I feel with a Nest it probably wouldn't matter due to the internal battery. An assumption on my part.
In a perfect world someone will be feeding the boiler normally anyway leaving the feeder only for emergencies. I know, but I can hope.
Single pipe 392sqft system with an EG-40 rated for 325sqft and it's silent and balanced at all times.
0 -
Not actually Paul. You can fake a control to operate properly by telling the thermostat that C on the transformer is R and R on the transformer is C. so if there was no vent damper and the LWCO was using the R for powering the control and then sending R to the thermostat by way of P2, you could use this fake as shown here.
You connect direct to the transformer C terminal to R on the thermostat and you connect the C on the thermostat to R on the transformer. Now you have the direct to transformer that is not interrupted. The W wire then breaks the C from the transformer to beginning (or end depending on which way you are looking at it) of the C circuit at the transformer
However with a Vent damper connected directly on the C side of the transformer, that is breaking that side of the circuit, you can't use that side as shown for the same reason you can't use the R side of the transformer with a LWCO connection.
That leaves you with the Isolation relay or the rewire shown here from my January 2024 post that I mentioned above.
@ChrisJ indicated that he rewired his EG boiler's LWCO to be after the thermostat, ^^^ something like this^^^, so he didn't need to use the isolation relay.
Edward Young Retired
After you make that expensive repair and you still have the same problem, What will you check next?
0
Categories
- All Categories
- 87.5K THE MAIN WALL
- 3.3K A-C, Heat Pumps & Refrigeration
- 59 Biomass
- 429 Carbon Monoxide Awareness
- 124 Chimneys & Flues
- 2.2K Domestic Hot Water
- 5.9K Gas Heating
- 119 Geothermal
- 168 Indoor-Air Quality
- 3.8K Oil Heating
- 78 Pipe Deterioration
- 1K Plumbing
- 6.6K Radiant Heating
- 394 Solar
- 15.9K Strictly Steam
- 3.5K Thermostats and Controls
- 56 Water Quality
- 50 Industry Classes
- 50 Job Opportunities
- 18 Recall Announcements









