Where is the 5A fuse on the 24v transformer in the Trane tem6 air handler?
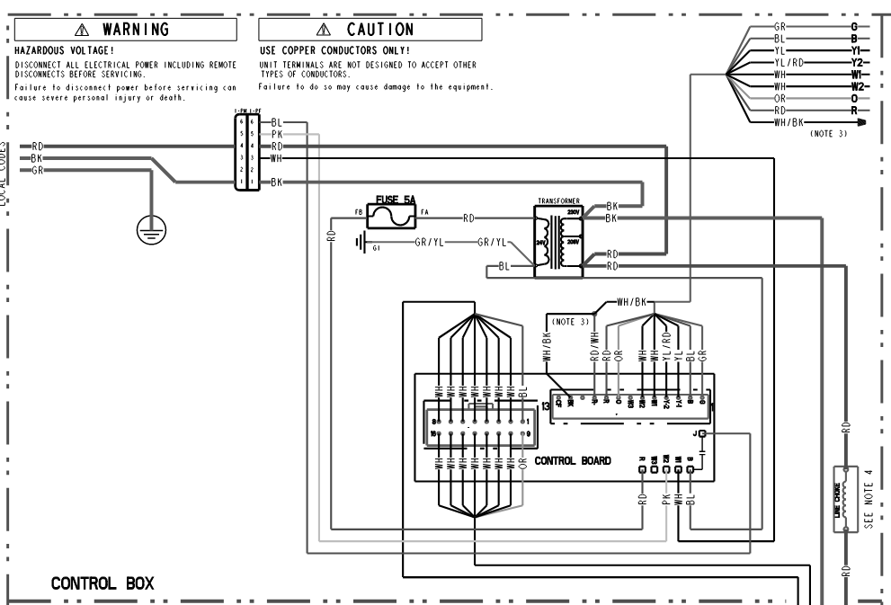
I am trying to find the 24 v secondary fuse that powers my thermostats on the Trane Tem6 air handler, but don’t see it there or on the zone controller board. The installation manual also does not have a pic of its location. I have attached a pic of the mother board which has a DIP switch and several diodes but no fuse. The xformer is just behind it and has a wiring harness with a large connector. Is the fuse in line or elsewhere on the board?
Thanks in advance.
Comments
-
-
National - U.S. Gas Boiler 45+ Years Old
Steam 300 SQ. FT. - EDR 347
One Pipe System0 -
That looks like the fuse @mattmia2. The 5A fuses are amber or yellow color if I recall correctly
EDIT: I just zoomed in close and it appears that fuse may have blown @PhilKulkarni
Edward Young Retired
After you make that expensive repair and you still have the same problem, What will you check next?
0 -
Thank you gentleman. Much appreciated.
0 -
I checked the continuity of the fuse and it is ok. However, the condensate overflow sensor is getting no power. It has a green led that stays lit but is now off. I have 27v ac at the stat between the C and Rh and between the C and RC. All the LEDs on the zone controller are green except one. But I have not checked what it is supposed to indicate. Am I correct in assuming that the overflow sensor which is in series with the compressor relay is powered separately by the 24v xformer and not through the zone controller board?
Despite power at the wiring plate, my brand new Nest gen 3 stat still says it has no power. Any troubleshooting suggestions?
0 -
you have to trace it out and see where it is connected
0 -
You have indicated that you have a zone control board. The Trane TEM6 does not have a zone control board as a factory installed item or option. What brand of zone control board do you have? how many zones are there on that air handler? Picture of the zone control boars with the cover off, from far enough bacc to see where the wires come from and go to.
EDIT: Thermostats are connected to zone control boards and therefore are isolated from the actual air handler. The thermostat connections from the TEM6 get connected to the zone control's output section. That is how the thermostats are isolated from the TEM6 controls and should not be part of your thermostat troubleshooting.
Edward Young Retired
After you make that expensive repair and you still have the same problem, What will you check next?
0 -
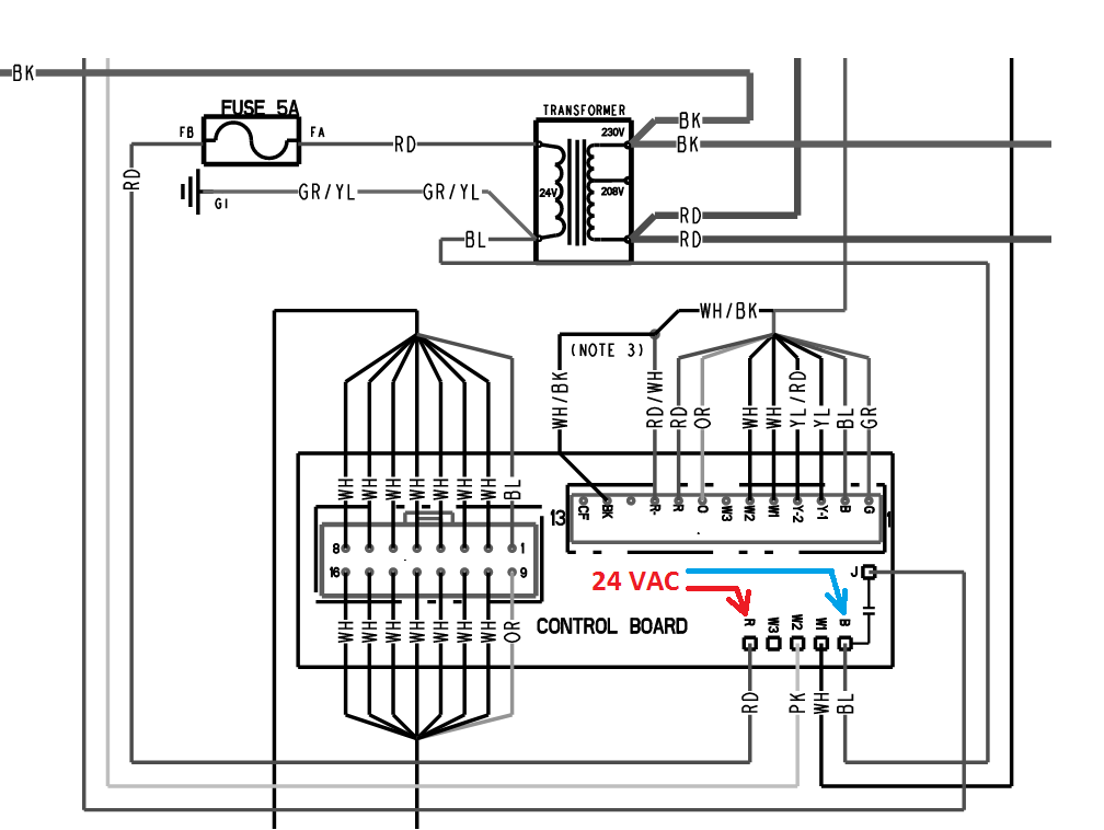
Is there 24 VAC where noted on the control board ?
National - U.S. Gas Boiler 45+ Years Old
Steam 300 SQ. FT. - EDR 347
One Pipe System0 -
The Zone controller is a Honeywell unit and can control up to 4 zones, but I am using 3 zones. I will post some pic tomorrow when I get back into the attic. I found the installation manual near the unit which was installed last year. The circuit diagram in which EdTheHeaterMan has asked to check the voltage at the R and B terminals are not easily identifiable on the mother board. But those terminals are where the 24v secondary terminates. Absent any loose connections in the connectors(I will take the connectors out and reseat them) If the secondary has voltage, and it has, since I get it at all three stats, then the only reason the overflow sensor is off is because it is not getting power from the secondary. Not clear why, since the accidental short at one of the stats left the xformer fuse intact.
0 -
the zone controller may have one or more fuses or circuit breakers or even self resetting overcurrent protection in it.
0
Categories
- All Categories
- 87.2K THE MAIN WALL
- 3.2K A-C, Heat Pumps & Refrigeration
- 60 Biomass
- 427 Carbon Monoxide Awareness
- 118 Chimneys & Flues
- 2.1K Domestic Hot Water
- 5.8K Gas Heating
- 114 Geothermal
- 164 Indoor-Air Quality
- 3.7K Oil Heating
- 73 Pipe Deterioration
- 1K Plumbing
- 6.4K Radiant Heating
- 393 Solar
- 15.5K Strictly Steam
- 3.4K Thermostats and Controls
- 56 Water Quality
- 51 Industry Classes
- 49 Job Opportunities
- 18 Recall Announcements





