Weil McLain with Model 1107-1 Integrated Boiler Controller Always On
I live in a 3rd floor apartment with a Weil McLain boiler in the basement that provides hot water for the kitchen and bathroom and the baseboard heating. The baseboard heater is permanently on and does not respond to the thermostat. (I set the round Honeywell thermostat below the 50 F mark and the baseboard heater temperature max and min values don't change at all.) I am monitoring the baseboard temperature with an accurate digital oven probe and can confirm the thermostat has no effect on the baseboard temperature cycles. On very cold days the apartment has a reasonable ambient temperature, but on warmer days the apartment is way too hot and we have to open the windows or kill the boiler power from the breaker unit. The landlord has made the following changes (at least) to try to fix the problem:
- replaced cartridge for the baseboard heater
- replaced the 3 way valve
- replaced the thermostat
Previously, I recall the round thermostat would have an audible click at the temperature when the commanded temperature exceed the measured ambient temperature and I don't hear it now with either the old or recently replaced thermostat.
Here are some photos of the boiler, including the control boards and wiring.
When the thermostat is "off"
The baseboard heaters still cycle continuously.
I'm hoping to expedite this process by posting on this forum. Any help would be appreciated. If there is any additional information or testing I can provide please let me know.
Comments
-
Does each apartment have a thermostat? If yes, then your thermostat does not control the boiler control. your thermostat will control a zone valve or a zone pump. are there any other controls on the wall near the boiler or are that any valves on the pipes that have a motor attached to it with wires coming from that motor?
Your thermostat may not be connected to anything if there are no zone controls in the boiler room.
Edward Young Retired
After you make that expensive repair and you still have the same problem, What will you check next?
0 -
Could also be a bad flow check valve which would make the boiler over heat the house but it should still shut down.
0 -
@EdTheHeaterMan : Each apartment has its own boiler and thermostat. The boiler room in the basement is locked so I can't access it to check other details right now but can do so in the future. There is a pump on the boiler for the baseboard heating circulation and it was replaced several years ago. The previous one was under-specified and not circulating to the 3rd floor properly. I suppose what I care about is that I'm able to use the thermostat to change the baseboard heater temperature. Currently, the thermostat does not have any effect on the saw-tooth min and max values I'm measuring with my probe.
0 -
can you post a wide shot of the boiler, circulator(s), zonevalves(?), and any other control box(s), kinda all n one shot, or from a couple WIDE angles so we see it all in one veiw
known to beat dead horses0 -
Its got a tankless coil and maintains a minimum temperature, so I would look at the 3 way valve again.
0 -
It appears that you have the Weil McLain CGt boiler that is equipped with a tankless coil for DHW. Your statement that each apartment has it's own individual boiler that is operated by its own thermostat tells me that you have more than one boiler in the basement. Is that correct?
I can think of several problems that can be the reason for your problem.
- Your thermostat wire has been compromised and is completing the circuit as a result of a staple of nail that is connecting the wires together.
- Your thermostat is connected to the wrong boiler. That means that there is another apartment in your building that is too cold. They have the thermostat connected to your boiler set as high as they can go and are not getting any heat, while your thermostat is set as low as it can go and you are getting too much heat.
- A service technician was testing you boiler using a temporary jumper wire and forgot to remove it before leaving the job. That means that your thermostat is no longer in control of the circulator pump. Ti s just always on.
There are three possibilities. There are others a wider picture of your boiler that shows the connecting pipes and sires may be helpful.
Edward Young Retired
After you make that expensive repair and you still have the same problem, What will you check next?
0 -
I am having the exact same problem on the same WM boiler with integrated hot water. Stopped responding to thermostat, constantly on. We checked and it is not the connection to the thermostat, and we changed the thermostat. Previous owner says that the control board gows out every few years, that the unit is defective.
0 -
I have a suspicion that you have jumped to a conclusion. I presume that "the exact same problem" refers to a situation where the circulating pump and boiler don't respond to the thermostat?
How did you check the connection to the thermostat? This is a multistop process! But you have already done step 1: you changed the thermostat (it's cheaper just to unmount it, but we'll let that go). That made no difference. Therefore it isn't the thermostat.
Step 2: Determine how the thermostat is supposed to control the zone pump or zone valve (which do you have?). Disconnect the thermostat wires at that location (keep track of which wire goes on which connector — it may make a difference). Does that make a change? If the zone valve closes or the zone pump stops the problem is in the wires (shorted).
From here I'd need to know whether you have zone valves or zone pumps and what kind of control board, if any is involved.
Br. Jamie, osb
Building superintendent/caretaker, 7200 sq. ft. historic house museum with dependencies in New England0 -
We disconnected the thermostat wires, and it made no difference. We turned it off and restarted the entire unit, no difference. We have the 1107-1 control board, no lights out, no lights flashing.
It is the CGT 5 pin series 2, made in 2013.
0 -
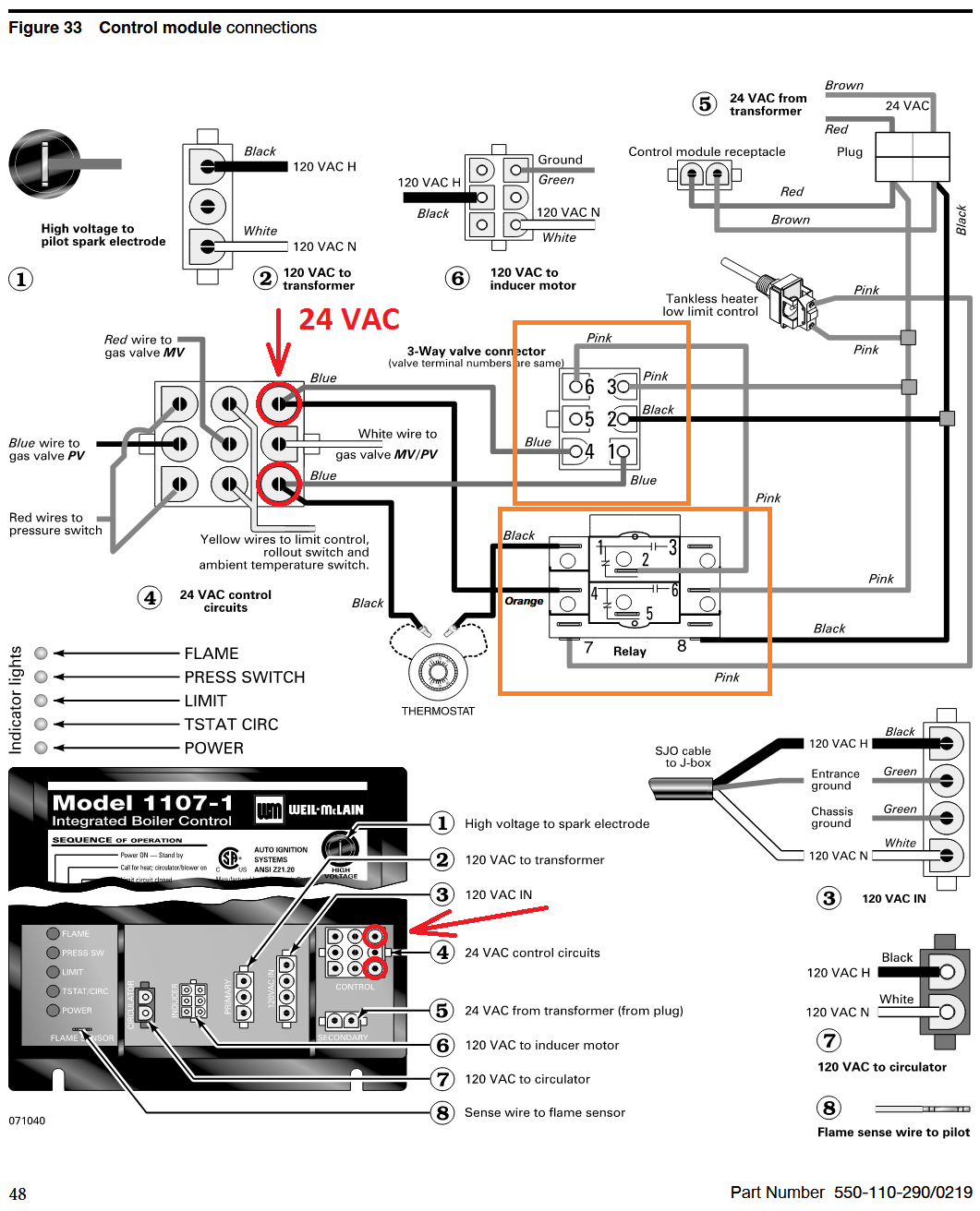
Looking at the wiring diagram, before I condemned the Control Module, if you have a multi-meter I'd verify there is 24 VAC between the two pins circled in Red below. 24 VAC equals no call for heat. The other way (better than just disconnecting the thermostat wires at the boiler) is unplugging the relay and the connector to the 3-way valve (Orange boxes). The thing is if the relay (pins 4 to 6) or the 3-way valve (pins 1 to 4) has a defect staying closed there could be an erroneous call for heat.
National - U.S. Gas Boiler 45+ Years Old
Steam 300 SQ. FT. - EDR 347
One Pipe System0 -
Weil McLain says that they discontinued this model because of these issues. They recommend replacing the 3 way valve and the control board. Ugh.
0 -
From the other end of a phone line that is an easy recommendation, might as well recommend replacing the whole boiler with one that does not have those issues.
Replacing the 3 way valve and the control panel may resolve 99% of the issues, however other things could be at fault, like the relay and the wiring.
But when the boiler is out of warranty and at the customers expense what do they care ?
Also their experience may have proven that Plumbers and HVAC Technicians are not strong electrical control troubleshooters, as far as issues internal to the boiler and the 'Parts Cannon' or 'Shotgun' repair strategy more often than not works to get the boiler working again.
In my opinion if the control panel is in fact defective the parts to repair it may be under $10 or a bad solder joint just needs repair. If you replace everything it could be you learn nothing unless an analysis is done later.
I like finding the exact issue and just replacing / repairing the defective issue.
You could make the argument that replacing everything freshens things up, however it is at the customer's expense.
National - U.S. Gas Boiler 45+ Years Old
Steam 300 SQ. FT. - EDR 347
One Pipe System0 -
I agree with @109A_5 on this boiler. I have some experience with two customers that have this boiler and the actuator for the three way valve was the problem on one and the actual valve was the problem on the other. I believe this boiler' three way valve fails to the advantage of making hot water which is backwards in my opinion It should fail to the advantage of heating the home so the pipes don't freeze. But it has been too long since i have worked on one to be sure about this. Now the reason for using the three way valve is to have the circulator operate when there is a call for hot water. (unlike the way it is done on oil fired boiler with tankless water heaters). This may be the valve getting stuck in the making DHW mode but sending all that heat to the radiators. So the integrated boiler control (IBC) is working because the boiler is firing and the circulator pump is circulating. That is all the IBC knows what to do.
You need to determine if the call for heat is coming from the aquastat that is maintaining DHW minimum boiler temperature. I believe that will be the case. Then determine if the three way valve is in the incorrect position sending the call for DHW hot boiler water… to the radiators
You can take the valve actuator off and exercise the three way valve in both direction manually, then put the actuator back on the valve and see if that works
Edward Young Retired
After you make that expensive repair and you still have the same problem, What will you check next?
0 -
To me it looks like the 3-Way valve's default state is DHW. The Low Limit switch closes (calling for heat to maintain a minimum boiler temperature) picking the relay which opens relay terminals 1 & 2 the path of the space heat thermostat (probably for DHW priority) and closes the relay terminals 4 & 6 providing a call for heat to the control module.
For space heat (no Low Limit call, DHW priority), the thermostat closes this activates the 3-Way valve's motor. When the 3-Way valve's motor moves to the space heat position terminals 1 & 4 of the 3-Way valve close providing a call for heat to the control module.
I believe they did it this way for DHW priority. It may have just been to accommodate an off the shelf 3-Way valve. Although the other terminals 1 & 5 of the 3-Way valve could have been used and the relay wired differently, I'm sure they had their reasons or this was the first way they did it and it basically worked so they went with it.
I agree with @EdTheHeaterMan a better strategy " It should fail to the advantage of heating the home so the pipes don't freeze. "
If there is undesired space heat, yet the DHW works OK, it kind of makes me wonder about the 3-Way valve.
If the boiler was running continuously except for the High Limit keeping it from overheating (no Low Limit control) the control module could cause continuous firing but not the water going into the space heat part of the system. Still kinds of point to a 3-Way valve issue.
If the DHW is OK and the space heat is also present it sounds like the 3-way valve is leaking or in a middle state it should not be in.
National - U.S. Gas Boiler 45+ Years Old
Steam 300 SQ. FT. - EDR 347
One Pipe System0 -
For all who find this, this is what solved my problem with the heat being stuck on, in this unit. Plumber went with a new 3 way valve (says old one was stuck), and a new board (which fortunately he had not opened), and found that the water pressure was low. He took the automatic water feeder out, took it apart to clean it out, put it back in, reset the water pressure, and it started working again. He did not replace the board.
0 -
I spoke too soon. The water feed failed completely after a plumber cleaned it. I had an HVAC guy come, he replaced the water feeder, and all seemed right. But it has very quickly gone right back to no heat, still supplying domestic hot water. I'm incredibly frustrated. The plumber I had come first did replace the way valve. I'm like 1200 into trying to repair this damned thing, and still no heat!
0 -
Well as much as those three-way valves apparently have a history of failing, I'd want to prove the electrical is in good operating condition.
Often when things get touched that can temporally heal intermittent electrical issues, only for them to reoccur again later.
If it were my task to troubleshoot the situation I'd be highly focused on the electrical. If the electrical is sound then the only thing left is the valve.
I've seen so many poor connections, crimps, solder joints, stuff that is just loose or intermittent, I just verify the electrical first because If I don't I'll wish I had.
National - U.S. Gas Boiler 45+ Years Old
Steam 300 SQ. FT. - EDR 347
One Pipe System0 -
With the meter referenced to the low side of the transformer (black meter lead) these are the voltages I would expect to find at the 3-Way valve electrical connections. Keep in mind the DHW has priority through the relay 'R'. What I call 'Heat 1' is at the instant the thermostat closes and 'Heat 2' is when the 3-Way valve motor has moved to the Heat mode and the 3-Way valve's auxiliary switch has changed state. The '*' means the voltage may be temporarily unknown until the 3-Way valve's auxiliary switch has completed its transition.
National - U.S. Gas Boiler 45+ Years Old
Steam 300 SQ. FT. - EDR 347
One Pipe System0 -
The confusing part is the manual states the 3-way valve is controlled by the 'Low Limit control' the wiring diagram makes it look like the thermostat controls the 3-way valve's motor. Now I see it the relay opens the thermostat call if the water temp gets too low.
This is a better description.
National - U.S. Gas Boiler 45+ Years Old
Steam 300 SQ. FT. - EDR 347
One Pipe System0 -
@Multiman this thread started with "Controller Always On"
You added your issue to this thread "I am having the exact same problem on the same WM boiler with integrated hot water. Stopped responding to thermostat, constantly on.".
Now "But it has very quickly gone right back to no heat, still supplying domestic hot water."
So the symptoms have changed from your original post ?
So now you are trying to solve a different issue ?
I'm getting a bit lost with what is going on.
National - U.S. Gas Boiler 45+ Years Old
Steam 300 SQ. FT. - EDR 347
One Pipe System1
Categories
- All Categories
- 87.4K THE MAIN WALL
- 3.3K A-C, Heat Pumps & Refrigeration
- 61 Biomass
- 430 Carbon Monoxide Awareness
- 121 Chimneys & Flues
- 2.1K Domestic Hot Water
- 5.9K Gas Heating
- 115 Geothermal
- 168 Indoor-Air Quality
- 3.8K Oil Heating
- 78 Pipe Deterioration
- 1K Plumbing
- 6.5K Radiant Heating
- 395 Solar
- 15.8K Strictly Steam
- 3.4K Thermostats and Controls
- 56 Water Quality
- 51 Industry Classes
- 50 Job Opportunities
- 18 Recall Announcements













