Adding C wire to Weil-McLain steam boiler
New to here, but read a few of Dan Holohan's books after we bought an old house with a weil-mclain steam boiler last year. No AC. The prior owners had installed a wifi thermostat and it didn't work well without a C-wire and so I removed it and just put up a mechanical round Honeywell thermostat. Then that stopped working this week! I had purchased it because it was mechanical and figured it would work forever.... On the plus side, the house sure gets toasty warm with the thermostat bypassed.
My wife went out and purchased a nest thermostat (I know
Or do I need to just set up an isolation relay as per here: https://forum.heatinghelp.com/discussion/162307/steam-boiler-to-tstat-wiring
I've done 120V electrical in the past and am quite confortable with that but I am royally confused, even after spending the last few days diving deep in the archives here and elsewhere online.
Not attached to the nest but it seems any "smart" option needs the c-wire.
Thank you very much. Really appreciate it and I am sorry for not being able to figure this out on my own. -Paul


Comments
-
G on the transformer to R on the thermostat.
Y on the transformer to W on the thermostat.
C on the transformer to C on the thermostat.
You're a line volt guy so you'll want Red for R, White for W and Blue for C.
Turn off "Nest Sence" unless you want wacky things happening. And Nest isn't exactly the best thermostat for steam. But don't tell your wife I said that. I have enough trouble.1 -
-
Thank you both, really appreciate the help. Had this up and running in minutes with your suggestions. I went directly to the transformer with the C wire for now. Nest sense is off and will keep it that way. For future reference, is there a preferred Wi-Fi thermostat for steam?0
-
Note that the t stat won't get power if the lwco opens which shouldn't happen under normal operation if everything is functioning correctly.
Unless it is a cycle guard or something like that which shuts down the burner periodically to check water level.0 -
It sure was a bummer when R loses power, I learned that lesson not too many years ago. We had to go back, install a 24 V tranny, relay, presto, all done0
-
@PEBD
I would put a separate transformer and relay in this summer to avoid any issues. If you need a diagram, I can post one. I just switched computers and my drawings are on the old computer1 -
-
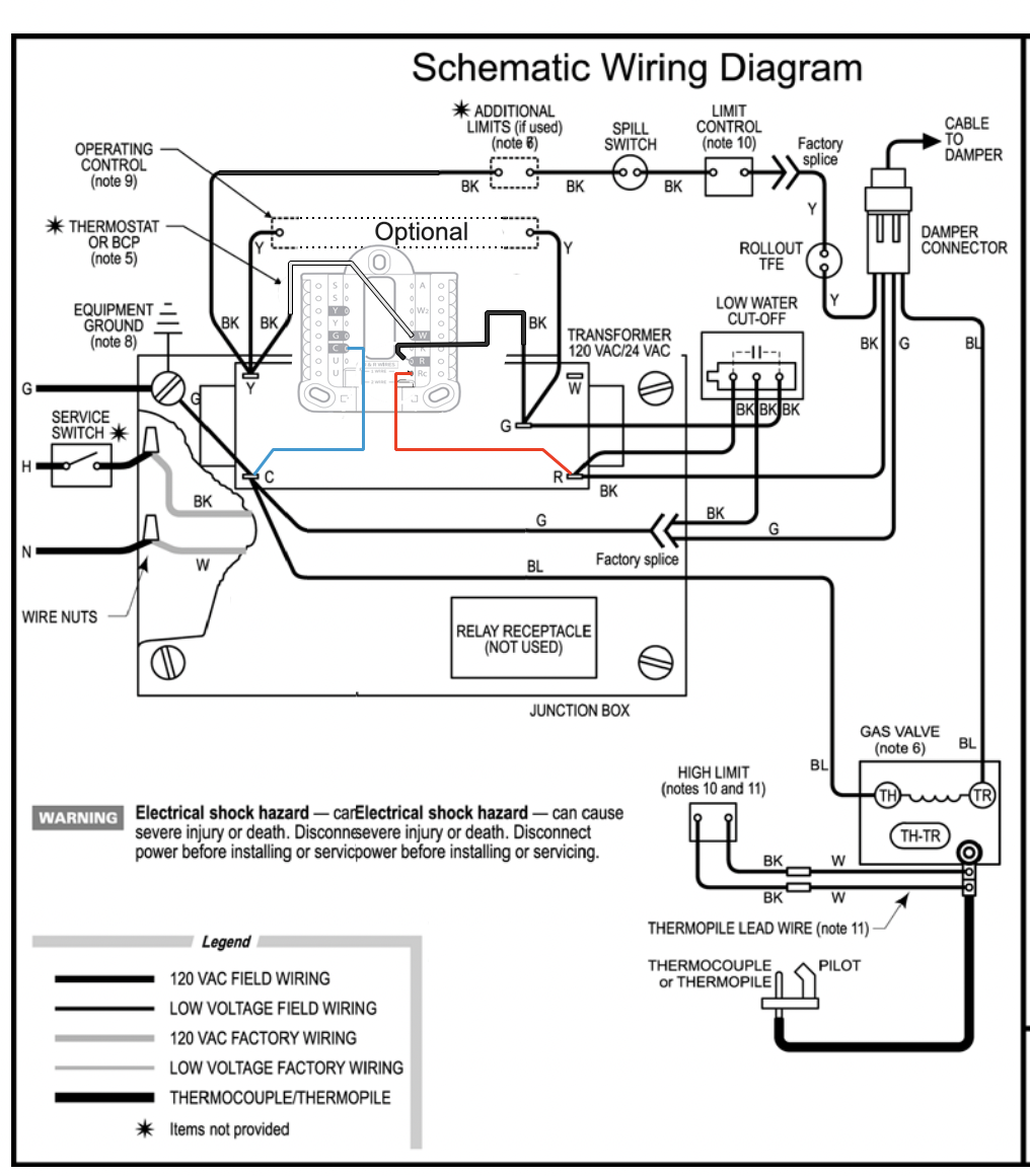
To use the C wire on a Nest thermostat, You MUST connect the Rc on the Nest to R on the transformer and C on the Nest to C on the transformer. With the factory wiring of the WM Steam boilers, that is not possible. The Factory wiring places the thermostat between the LWCO and the other limit devices like the pressure and vent spill switch. If the LWCO opens for any reason, the thermostat will go into an error when the power to Rc on the Nest is interrupted. When the power is restored thru the LWCO, you may need to manually clear the error. There is a way to do this without the need of a relay, however you must have a higher level of understanding the LWCO wiring and the NEST wiring to rewire the thermostat first in line from the transformer. It employs an additional wire from the NC contacts on the LWCO. You remove a jumper from the R to the NC contact on the LWCO. If you don't get it exactly right, then you could mess up the sequence of operation and/or let the smoke out of a transformer or control or even worse bypass a limit and cause a catistorphic boiler failure if one of the limit controls fails to do its job.
Edward Young Retired
After you make that expensive repair and you still have the same problem, What will you check next?
0 -
Here is the updated wiring diagram if you feel competent to rewire the low voltage exactly in order to keep the limit and safety controls operational in accordance with industry standards.


The easier way might be to use a separate transformer to power the thermostat and an isolation relay to perform the thermostat function in the existing wiring location.Edward Young Retired
After you make that expensive repair and you still have the same problem, What will you check next?
1 -
@PEBD I have the exact same configuration. Originally wired the Nest R to boiler board G; Nest W to boiler board Y; and Nest C to boiler board C. As others point out, that makes the Nest power downstream of the LWCO and Nest constant power is at the mercy of the boiler's water level and I would strongly recommend rewiring per @EdTheHeaterMan's suggestion.
I don't know what the exact reason was, but about a month after install, I had a lot of trouble with Nest short cycling for the dreaded 3 minute delay countdown (Google it) and Google Support were unable to help even though I made sure water levels were good (honestly I had it overfilled). They kept blaming the wiring and the transformer.
Subsequently I added a 24V 40VAC external transformer and a 24V normally open isolation relay and reset the Nest, and have been going strong for over a month now (albeit it is spring so not as frequent heating calls). I believe this is a better configuration since Nest by itself draws 200mA so I don't want Nest to overload the boiler transformer. Check to see without and with a heating call, what the voltage on the boiler board R drops to. That will give you some idea of the load put on the boiler transformer by the Nest. The good thing about the external transformer is, Nest is independent of boiler power and low-voltage logic and the heating call will persist as long as is needed for the thermostat to be satisfied. I was able to check that my pressuretrol works to cut off and restart the boiler on a 1 hour heating call when some radiators didn't come on. An extra long heating call will also be a good symptom for a LWCO that is chattering due to water level.
0 -
I found this old-ish thread while googling how to add a C wire to my EG-series W-M boiler. While reading, I was happy that everything I'd been thinking I'd do was confirmed, until I got past the first 3 or 4 comments. And now I'm simply confused.
Why is losing power to the thermostat due to the LWCO any worse than losing power to the thermostat because of a whole house power outage, or because someone flips the service switch on the boiler. I'd actually been thinking that if the LWCO goes, the thermostat display will be dark, and that'll tell me I should definitely go check the boiler.
I don't have a Nest -- is there something specific about that tstat that makes it more sensitive to outages?
Why all the extra gymnastics with extra transformers and relays?0 -
On many boilers and furnaces the small transformers can't supply enough power for a Nest or some of the other thermostats. I don't know about other brands, but the nest battery takes a lot of power to charge and should be powered all the time.
As far as low water cutoffs go some (cycle guard) kill the power to the boiler (& the thermostat in your case) every so often to test the LWCO operation.
That's why some (including me) recommend a separate transformer and a relay. It's a 100% fix for any job that adds a Nest or similar thermostat.
You may or may not find a simpler way to do it that works.
In some cases, the boiler mfg. uses small transformers to save money, or the transformer may be built into the controller in some cases there is no accessible C terminal1 -
For any smart thermostat to operate properly, there must be an uninterrupted 24 volt power supply from R on the transformer to R on the thermostat with a return path from C on the thermostat to C on the transformer. With the Weil McLain and other brands, the LWCO is sometimes the first device from the R on the transformer to the LWCO. This makes it so none of the T T terminals on the boiler are equivelant to the R from the transformer.pgf said:I found this old-ish thread while googling how to add a C wire to my EG-series W-M boiler. While reading, I was happy that everything I'd been thinking I'd do was confirmed, until I got past the first 3 or 4 comments. And now I'm simply confused.
Why is losing power to the thermostat due to the LWCO any worse than losing power to the thermostat because of a whole house power outage, or because someone flips the service switch on the boiler. I'd actually been thinking that if the LWCO goes, the thermostat display will be dark, and that'll tell me I should definitely go check the boiler.
I don't have a Nest -- is there something specific about that tstat that makes it more sensitive to outages?
Why all the extra gymnastics with extra transformers and relays?
Not a problem for two wire thermostats Big problem for Smart Thermostats (Designed mostly for furnaces with air conditioners, NOT boilers) because there is normal operation conditions that will remove power to the R of the thermostat during the heating cycle. If the thermostat's power to the R is interrupted during a call for heat, and the thermostat produces an error code to he thermostats Smart CPU, you may end up with no heat until the error is corrected. this may add unnecessary, false, or nuisance lockout that may require manual reseting of something in the thermostat.Edward Young Retired
After you make that expensive repair and you still have the same problem, What will you check next?
0 -
Thanks for the replies!
I wasn't aware of the self-test feature of some LWCO units. Mine definitely doesn't do that. That would certainly be an excellent reason for rewiring. I'll check the current draw on my new thermostat. It has no battery, so the charging current issue is moot. I suspect it's pretty low.
EdTheHeaterMan -- I'm curious about this: "because there is normal operation conditions that will remove power to the R of the thermostat during the heating cycle." What "normal operating conditions" that would remove R power are you referring to? Always happy to learn!0 -
Okay, I've hooked up the new thermostat temporarily, to do some testing. It draws just 20mA, so I don't think I'll worry about a new transformer. I'll reverify after making the installation permanent. Also, I tested it during forced a LWCO episode (more water was going to be needed soon anyway), and it powered down and powered up just fine, and remembered its set point, etc. (It's not a *very* smart thermostat -- the smarts live elsewhere, and control it remotely. So there's not a lot of data for it to remember. Mainly the setpoint and the display units (C/F).)
So I think I'm good to go. Thanks again for the added input.0 -
On the Weil McLain EG PEG and EGH boilers, R from the transformer goes to the vent damper (if equipped) and the the LWCO. For the thermostat to have power during time when there is no call for heat the vent damper is closed and therefore will not feed that 24 volts to any other part of the electrical circuit. The is a normal operation of the damper is Close during off cycle or standby waiting for a call for heat So we can not depend on that for operation of the Nest's on board AI CPU, for power while waiting for a call for heat.pgf said:Thanks for the replies!
EdTheHeaterMan -- I'm curious about this: "because there is normal operation conditions that will remove power to the R of the thermostat during the heating cycle." What "normal operating conditions" that would remove R power are you referring to? Always happy to learn!
During a call for heat, the LWCO may from time to time shut the burner down as a result of a low water condition, waiting for condensation to return from the system. This is not always going to happen, but when it does, the Nest will not get power to the R terminal. The Nest's AI CPU will then show an error code for that perceived fault. As far as the Weil McLain control logic is concerned, that is normal operation, but the Nest counts this as a fault and will display an error code. Once the water level is back to normal and the power is restored to the R terminal of the Nest, you would think that the Nest would just pick up where it left off. But that does not always happen. Manual intervention may be needed to clear the fault from the Nest. There are 2 normal operating conditions.
That is why people with steam boilers who want Nest Smart Thermostats often show up here with "Adding C wire to a Weil McLain Steam Boiler" and other similar queries. We don't make this stuff up just to sell more relays. Hell, I have not sold a relay for over 4 years now.
The NEST is one of the less forgiving smart thermostats. other brands of WiFi capable stats will do just fine. Just knowing that there is an option to outsmart the smart thermostat, available... is all you need for now.
Good luck with your new thermostat.Edward Young Retired
After you make that expensive repair and you still have the same problem, What will you check next?
1 -
Interesting discussion. I have a Nest 3rd gen learning thermostat that I put in myself on my Weil McLain EG 50 boiler. I had an unused 3rd wire on the thermostat wiring which I purposed for C, but the boiler transformer power by itself, and the Nest, didn't play well together. Recall that 24V on the Weil McLain goes first to the LWCO which passes it on the thermostat. Nest needs 200mA so 5VA approx and browsing the web I have seen links that Weil McLain can't commit to that extra load.
In my case, at all times the LWCO was satisfied but I still got power-stealing 3 min spurious calls on Nest, that have been completely eliminated with an external 24V 40VA transformer (I went big on power since the other choices were all 500mA and IMO that may not have been enough to drive Nest and isolation relay) and an isolation relay. FWIW Ecobee also recommends that in certain cases, an isolation relay and external transformer be used, and they even provide a schematic.
I strongly recommend that people on steam heating systems get smart thermostats. My main diagnostic for system health is heat call duration and I check on the durations every day. 20 minutes give or take a couple, every 90 minutes to 2 hours, and I know all's well (was 35 minutes call duration every hour on the deep freeze Christmas eve night).0 -
Never been a Nest fan even on forced air furnaces. I personally have a Ecobee and have had zero problems. That being said, still need a common.0
-
Does anyone have comment about the following solution. Looks like a simple solution. I see it a lot when googling C-wire.

0 -
I have a smart thermostat hooked into the transformer of a Weil Mclain boiler. LWCO interrupts the smart thermostat as said. Luckily I have the Emerson Sensi Touch(1st gen). The thermostat has no internal battery, when power is cut it simply loses all power. It then powers up quickly and returns to reg settings without displaying an error so I haven’t had the need to change the wiring. I also check my boiler water level daily and have no leaks so it’s rare the LWCO will trip unless I am testing it…. The pressuretrol does not interrupt the circuit.The above info was great and I may rewire when the heating season is over, Thankyou @EdTheHeaterMan for your many great schematics.I also have tried many thermostats and the Emerson Sensi has been my favorite. You can set a slow cycle rate which is good for my one pipe steam, but you can’t set exact CPH. I like Honeywell, but I have found most of their thermostats don’t always display a true room
temp. It’s a specific algorithm but basically the room temp displayed gets sticky when it is hovering around the set temp. Once there is a two degree difference it will start to display the actual temp, not a fan of that.0 -
I'll put in a plug for Ecobee thermostats on hydronic systems. I just installed two of them on our two hot water boiler systems in a 4-unit condo building, and they work very well. They do have the adjustable "swing" setting (Ecobee calls it a "heat differential temperature") needed for hydronic systems. (Apparently Nests lack this adjustable setting.) I've read elsewhere on this forum that Ecobees can work well with steam too, though I don't have firsthand experience with steam.
I wired both our Ecobees as in @fullf1's diagram, with a dedicated transformer wired to Rc and C. (That works on Ecobees only with 2-wire heating systems. For systems with fans and A/C, Ecobee includes a "power extender kit" (PEK)).
I refuse to buy any more Honeywell thermostats for the reason @TwoTones mentioned. Under certain conditions they purposely do not display actual room temperature, and in extreme cases the displayed temperature can be as much as 2 degrees off the actual room temperature.1 -
Hello,
I am having the same issue trying to install a Honeywell T9 smart thermostat. I was wondering if would it be possible to just run another 18/2 and connect to the R in parallel of the 24V transformer and the C terminal and connect to the Rc and Common at the thermostat without touching the thermostat internal wiring (Y and G) that are going to the R and W at the thermostat? Why the need for an external transformer.
Thanks.0 -
Rc and C need to be connected to opposite sides of the transformer to power the thermostat. Connecting them together will blow the transformer!
Br. Jamie, osb
Building superintendent/caretaker, 7200 sq. ft. historic house museum with dependencies in New England0 -
@mb23 I just chatted with Resideo Homeowner Tech Support. According to Resideo (formerly Honeywell) "As long as you remove the jumper tab, there should not be any contact between Rh and Rc."
So this wiring diagram should be OK. However you will want to check the LWCO circuit to be sure.
My fear is taht somehow the R and the RC will make contact internally inside the thermostat. If that happens then the LWCO will not longer be able to stop the burner. If you follow my logic on this the R from the boiler control transformer will then be connected thru the thermostat to G on the boiler control transformer. If that happens then when the LWCO terminals open as a result of a low water condition the R and the G will still be connected thru the thermostat. That is Not a Good thing. So you will want to test the LWCO function during a call for heat to make sure that when the LWCO switch contacts open, that there is not a connection between R and G on the control transformer
Please try this and return to this post with your findings. I can no longer get into basements to test this for myself.
Edward Young Retired
After you make that expensive repair and you still have the same problem, What will you check next?
1 -
-
-
Yoy might want to try one of these before you do that:
LOL
Edward Young Retired
After you make that expensive repair and you still have the same problem, What will you check next?
0
Categories
- All Categories
- 87.5K THE MAIN WALL
- 3.3K A-C, Heat Pumps & Refrigeration
- 59 Biomass
- 429 Carbon Monoxide Awareness
- 124 Chimneys & Flues
- 2.2K Domestic Hot Water
- 5.9K Gas Heating
- 118 Geothermal
- 168 Indoor-Air Quality
- 3.8K Oil Heating
- 78 Pipe Deterioration
- 1K Plumbing
- 6.6K Radiant Heating
- 394 Solar
- 15.9K Strictly Steam
- 3.5K Thermostats and Controls
- 56 Water Quality
- 50 Industry Classes
- 50 Job Opportunities
- 18 Recall Announcements









