HVAC Hot Water Coil and DHW priority
My son has a home with 2 HVAC Air Handlers with Hot Water coils for home heating. The hot water coils are supplied from a wall mounted condensing Propane boiler. There is a 110 gallon indirect hot water tank . The boiler is setup with a primary and a secondary loop . The indirect hot water tank has a dedicated circulator. The circulators are on the secondary loop and there is a TACO circulator relay box. We were at his house one evening and the floor registers were blowing cold air just after the kids took baths and showers. Checked the boiler and it displayed DHW priority and the primary loop had no flow until the hot water tank reached temperature and then got hot. Sorry for the long introduction, but the question is: Is there or should there be a control path that stops the Air Handler blower from blowing air across a cold coil because of DHW priority. I thought Warm Air furnaces had this type of control. Thanks.
Comments
-
This is a common problem that Hydro Coil heating system installers fail to address. this can be an easy fix if the air handlers are not communicating thermostat operated or variable speed blower motors. In other word, a simple two or three speed PSC blower motor in the air handler.
More on this to follow. Ask your son to tell us the model number and brand name of the air handler units. This will help determine the proper direction to go.
Edward Young Retired
After you make that expensive repair and you still have the same problem, What will you check next?
1 -
EdThe HeaterMan,
Thanks for your quick reply. He just got new Lenox AirHandlers and Nest Thermostats installed. Conceptually, you would need to link the fan control with the indirect DHW tank circulator control but not sure how to do that. More to follow
0 -
If the wiring for the heating circulators and indirect circulator all go to the same zone panel, simply switch Priority off in the panel.
If the circulator wiring for the indirect goes into the boiler rather than the zone panel, then the boiler is programmed for DHW priority. If you know make and model of the boiler, we might be able to help change it.
0 -
In order to keep DHW priority, the air handlers will need aquastats to control the fans. Even with an ECM motor, you break W1/W2 on the motor. Something like the Argo ARH-1 is typically used.
0 -
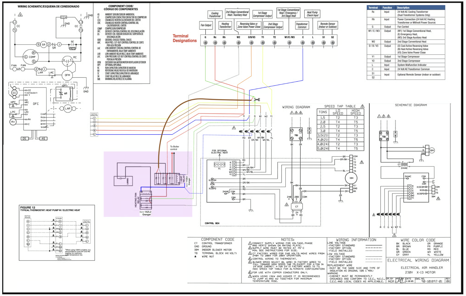
Without knowing if the air handler is a variable speed ECM blower motor or a standard PSC two or three speed motor, I can’t give you the wiring diagram that you will need. But If it is the PSC motor then the fix is easy. Just place a strap on aquastat on the hot water pipe that has the return water to the boiler from the air handler. If the water in the air handler HydroCoil is cold the fan will not operate until the return water gets hot. Once the water in the HydroCoil is hot the fan motor will operate. I have done this many times to solve the “Blowing Cold Air” issue on HydroCoil equipped air handlers.
If you have the ECM motor air handler then you will need a more complicated wiring schematic that I have in this post:
The area in the Violet Highlighted area is the complicated fix needed to keep the fan from blowing cold air
This is a heat pump system. You are only using the AHU for cooling only and HydroCoil heating only. The diagram is the same in either case, just the thermostat will not operate the compressor and reversing valve for part of the heating season.
Once I know the AHU specifications I can get you a custom diagram for your son's system.
Edward Young Retired
After you make that expensive repair and you still have the same problem, What will you check next?
0 -
Since I retired in 2018 and stopped actual installation work a year earlier I was not aware of the Argo AHR-3. (Looks like it has been around a few years now.) It appears that it has everything you need to solve the blowing cold air problem with 2 HydroCoil air handlers and one indirect water heater. It may work on ECM motor air handlers but I have no definitive proof of that. That will depend on how your ECM air handler handles a call for blower on from the thermostat if there is no call for cooling. Sometimes that blower speed is too slow for effective heating. Other times they can be set for higher air flow on a call for “blower on” only.
There is a place to wire each thermostat from the AHU space heat zone that includes heating and cooling. There is a place to connect the AHU wires. There is a place to connect the aquastat that keeps the blower from blowing cold air. There is even a place to add a freeze protection thermostat if you have an attic air handler unit that might be subject to freezing if there is no call for heat for an extended time, and there are end switches to operate the boiler
The third zone for the DHW priority will stop circulators for zone 1 and 2 from operating during a call for DHW. If you are using zone valves with one circulator for space heat zones then you need a work around to operate the 24 VAC zone valve motors that can open and send the signal to operate the boiler via the zone valve end switch.
Let me know what Air Handlers your son has and we can make a plan
Edward Young Retired
After you make that expensive repair and you still have the same problem, What will you check next?
0
Categories
- All Categories
- 87.6K THE MAIN WALL
- 3.3K A-C, Heat Pumps & Refrigeration
- 59 Biomass
- 430 Carbon Monoxide Awareness
- 125 Chimneys & Flues
- 2.2K Domestic Hot Water
- 5.9K Gas Heating
- 121 Geothermal
- 170 Indoor-Air Quality
- 3.8K Oil Heating
- 78 Pipe Deterioration
- 1K Plumbing
- 6.6K Radiant Heating
- 396 Solar
- 16K Strictly Steam
- 3.5K Thermostats and Controls
- 56 Water Quality
- 51 Industry Classes
- 51 Job Opportunities
- 18 Recall Announcements




