Teledyne-Laars Hydronic Boiler - False Flame Message (Again)
Our gas-fired Teledyne-Laars Mini-Therm hydronic boiler (Model JVS-225H), installed in the mid 1980s, is still showing “false flame” errors several times a day. On the recommendations from this forum I put in a new White-Rodgers ignition control module (Model 50D50-843) and direct spark pilot assembly in 2021 but started getting false flame messages the following year and every year after that. So finally just last week I put in a new White-Rodgers Universal Electronic Ignition Gas Valve (Model 36H64-463) and had all the wiring checked to be sure it was okay. But I’m still getting a false flame message. Could the ignition control module or pilot assembly from 2021 have gone bad again? Any other possible explanations? The copper/aluminum heat exchanger does need cleaning - could that be part of the problem?
Comments
-
Really to troubleshoot it correctly and give you good direction, you need to catch it in the act of creating the error.
Is the flame actually lit when it should not be.
Or
Is the module erroneously detecting a flame when there is none ?
National - U.S. Gas Boiler 45+ Years Old
Steam 300 SQ. FT. - EDR 347
One Pipe System1 -
If you go to the Laars website, you can download the manual if you don't have it. i read it and it doesn't tell you much of anything about faults.
And I don't know if the new manual applies to your older boiler.
From what I can see you have an ignition electrode that sparks to light the pilot and also acts as a flame sensor.
Those things are pretty bullet proof as far as flame sensing. I have never heard of a flame rod type sensor giving a false flame signal.
The only thing I can think of is the pilot valve in the gas valve could be leaking by causing the pilot to stay on.
I would run the boiler and then shut it down and see if the pilot goes out immediately or hangs on.
You might disconnect the pilot tubing from the gas valve with the power off and see if the valve is leaking gas out the pilot connection
1 -
-
-
@109A _5 I was down there recently when it tripped. The boiler had been on and then it just fell silent except for the pump continuing to run after the flame went out. I looked over and the single red light blink for 'false flame' had come back on.
0 -
@EBEBRATT-Ed Those are good ideas. You were very helpful in Jan '24 when this was happening before. I just replaced the gas valve two weeks ago but will check the other places you mentioned for leaks. I also ordered a new pilot assembly. I'll try cleaning the existing one (installed 2021) and if that doesn't solve the problem I'll swap in the new one.
0 -
@mattmia2 We checked all the wiring and found no shorts or physical damage. The insulator seems to be fine, too, although we did find that the pilot assembly from 2021 was installed crooked with screws that were too long. Fixed those issues but still getting this never-ending 'false flame' message.
0 -
You might want to call Laars. I don't understand at all their reasoning behind a "false flame" light on a system with a flame rod. It doesn't make sense.
I have worked on every kind of flame detection system made.
Cad cell, stack switch (heat), photocell, lead sulphide and ultraviolet work on oil.
Flame rod, ultraviolet and lead sulphide work on gas.
Of all these different systems the flame rod (like you have) is considered to be the safest (although not the most reliable IMHO).
The reason for this is it is pretty much impossible to get a flame signal without a flame as the flame circuit current has to pass through the flame itself.
I see where the info @109A_5 posted above they say to clean and inspect the flame sensor. You can also run a separate ground wire from the pilot back to the control
0 -
Since it worked for a while, this probably isn't the issue but it looks like the control can be set up for direct spark which I would think would be constant pilot and it would only spark when there is no pilot. Or intermittent pilot which the pilot would light each time the boiler starts. It gets confusing.
Just wondering if you think the set-up is correct.
Maybe White Rogers can help.
0 -
maybe the dip switch or whatever selects between the 2 is intermittent.
the way you could truly get a false flame signal, if it actually looks for rectification through the pilot vs simply conduction, is with a connection of the sense wire to something corroded that acts as a diode like the cat's whisker on a crystal radio. It happens pretty commonly in antenna systems, something corrodes and acts as a diode which mixes some other signal in the area with the intended signal and produces a mixing product on some 3rd frequency.
0 -
@EBEBRATT-Ed and @mattmia2 You guys are zeroing in on some things I’ve been wondering about for a while. The ‘false flame’ problem did not start until after a contractor came in November 2021 and, according to my invoice, “replaced the failed pilot burner, flame sensor, and ignition module with universal pilot burner, universal flame sensor, and universal ignition module” plus a new pilot cable. Since then, no one has checked to see if the universal ignition module was set correctly. And the wiring needs another thorough inspection. I am going to call both Teledyne Laars and White Rodgers and see what I can find out. I’ve never understood the false flame message in my particular situation anyway, and it sounds like something may be off. I will follow up on this thread once I've spoken with TL and WR.
0 -
I was under the impression when this issue happened before and was completely resolved by replacing "a new White-Rodgers ignition control module (Model 50D50-843) and direct spark pilot assembly in 2021", so if the configuration was wrong it worked fine for a year ?
With;
Is the flame actually lit when it should not be. Since the 24 VAC is removed from the ignition module to shut the burner off this scenario is unlikely.
Or
Is the module erroneously detecting a flame when there is none ? Depending on the sophistication of the flame detection circuit it may or may not be able to discern the difference with the type of contamination across the flame rod insulator to ground (resistive or semiconductor).
To me the lack of a ground would cause other errors, but what other errors ? I would verify the integrity of the ground anyway. Grounds are easily overlooked.
"I was down there recently when it tripped. The boiler had been on and then it just fell silent except for the pump continuing to run after the flame went out. "
If the call for heat did not cease and the 24 VAC to the ignition module still remained present yet the burner shut down then either the ignition module has issues, insufficient ground to the ignition module, insufficient flame detection ground path, High voltage wire is degrading (high resistance), flame detection rod is sufficiently contaminated or coated to provide reliable operation.
I suspect, since there is a lack of error listings the 'False Flame' message is more ambiguous than it appears. If the flame does happen then the lack of flame detection shuts it down what error is generated ? 2 flashes does not fit the lack of flame detection scenario since the flame was initially detected.
I'd start by cleaning the pilot / flame detection assembly and verifying the integrity of the ground to the ignition module and flame detection ground path.
National - U.S. Gas Boiler 45+ Years Old
Steam 300 SQ. FT. - EDR 347
One Pipe System0 -
Usually lack of a good ground causes the flame signal to be low or non existent and the pilot never proves.
I am too wondering if the control isn't set up right or something inadvertently got changed.
0 -
I had something similar with my old boiler in my house which I bought in the 80s.
atmospheric gas with a millivolt system. It worked fine but in the days of "energy conservation" I took the millivolt valve out and put in a stack damper, new gas valve and a thermocouple and ignition control. This ran fine for about 15 years without touching it. Probably saved $5 worth of gas.
Then on a call for heat it would spark light the pilot but the thermocouple wouldn't prove the pilot and it would keep sparking. Nothing changed nothing touched.
So fine new thermocouple NG
2d thermocouple NG
Thermocouple in the flame good pilot good but NG
Ran a ground wire from the pilot to the control, NG
Changed the ignition control NG
At this point I had had enough and put the old millivolt system back on. This lasted 10 years till I replaced the boiler.
0 -
I'm wondering if the ground integrity (ignition module or flame sensor) changes when things warm up. Agitating things (by replacing things) can temporally heal things, but the problem usually comes back. Bad crimp connections and other mechanical connections are notorious for this issue.
National - U.S. Gas Boiler 45+ Years Old
Steam 300 SQ. FT. - EDR 347
One Pipe System0 -
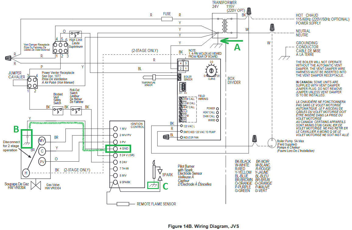
From this wiring diagram the Ignition Control Module is grounded at the gas valve assembly. That point 'B' has to have a good connection back to 'A' for proper operation. This connection may be via the boiler jacket and other mechanical means, since the wiring diagram does not show a dedicated wire for that path. The Gas Valve solenoid coils are grounded through the Ignition Control Module (2 MV/PV then to 4 GND then to 'B'). The flame detection return path to the Ignition Control Module is also via 'B' to 4 GND (Ignition Control Module). If the path integrity is not sufficient the flame signal could be modulated (or corrupted) by the AC voltage drop from the gas valve solenoid current through the poor connection. This condition may result in the Ignition Control Module shutting off the burner and triggering a fault event. The ground path integrity is important, often overlooked and awkward for some folks to test.
This picture of the 50D50-843 and the wiring diagram don't quite agree. So the the gas valve solenoid ground may be separate, I'd still verify all the grounds are in good condition. Maybe the two ground wires are reversed ? Assuming TR is actually a ground as the 50D50-843 manual shows.
National - U.S. Gas Boiler 45+ Years Old
Steam 300 SQ. FT. - EDR 347
One Pipe System1 -
@109A_5 The wiring diagram you show is from the more recent Teledyne-Laars JVS-225 manual. I've been referring to that but also to the White-Rodgers 50D50-843 ignition control module manual since most of the wires come from there. That unit actually has four different wiring diagram variants (first PDF attached) and my system seems to be wired as in Fig. 4., which is described as a "typical hookup for White-Rodgers replacement with direct flame sense through single spark/sense probe" as opposed to separate flame-sense and spark probes. Then I have wiring diagrams from the manual (second PDF attached) for the White-Rodgers 36H series gas valve that was installed two weeks ago — a general one (Fig. 4 on p.5) and a more specific one (fig. 6 on p.6).
So I went down yesterday to do a quick wiring trace and this is what I came up with for the ACTUAL wiring from all eight ignition control module (ICM) terminals to terminals on gas valve (GV) or elsewhere.
- fm MV on ICM, brown wire to H1 on GV. (Looks correct, but should the jumper wire be connected when it has a sticker on the wire warning not to use it with spark-to-pilot systems?)
- fm VAL on ICM, yellow wire to C (Common) on GV. (Is that GV terminal same as GND? Seems to be based on fig 8 in GV manual.)
- fm PV on ICM, orange wire to P (pilot/redundant) on GV.
- fm TR on ICM, thicker yellow wire to nearby terminal on a transformer.
- BLANK SPACE
- fm TH on ICM, thick red wire to terminal in box to left of ICM.
- fm GND on ICM, green-then-yellow wire to ground on GV.
- fm FLY LEAD on ICM, short black wire jumper to FLAME terminal just underneath on ICM.
- BLANK SPACE
- fm SPARK on ICM, very thick red wire to pilot spark/flame sensor assembly inside boiler.So you can see why my head is spinning. But it also seems to me that the problem easily could be either something mis-wired or one or more of the wires has gone bad. I'm particularly worried about the high-voltage ignition cable, and whether it's lost integrity, and the grounding wires.
Finally, your explanation for how ground integrity can be impacted by a warming system really has my attention. The boiler will heat fine for a few hours now, then I get the false flame blinking red light and have to reset. It used to be I could go a few days between resets. So it works for a while then doesn't — and that interval has been getting much shorter recently.
0 -
That is a complicated control. From what I can see I think your wired right. Might try changing the ignition cable. have you ever checked your flame signal?
I thought you had but after rereading I don't see any mention of it. Maybe if you checked that you would see if you are getting a flame signal when you shouldn't have one. Looks like the control has test pins to check the signal
If you look on line WR has an ap you can download to your phone. Its supposed to be able to tell you haow the control can be configured and has troubleshooting information
0 -
@EBEBRATT-Ed Its not a 50D50U-843 its a 50D50-843, confusing.
@Boatster Still reviewing your data.
National - U.S. Gas Boiler 45+ Years Old
Steam 300 SQ. FT. - EDR 347
One Pipe System0 -
"- fm MV on ICM, brown wire to H1 on GV. (Looks correct, but should the jumper wire be connected when it has a sticker on the wire warning not to use it with spark-to-pilot systems?)"
Well it is a different gas valve. The one wiring diagram shows the Main valve solenoid connected in parallel with the second stage solenoid. The new valve document seems to show it unused in a single stage situation.
I believe this jumper should be removed, if it exists.
In general it seems the 50D50-843 appears to be wired correctly.
Do you have a multimeter?
Kind of wondering why it just drops out.
National - U.S. Gas Boiler 45+ Years Old
Steam 300 SQ. FT. - EDR 347
One Pipe System0 -
@109A_5and @EBEBRATT-Ed Yes, the ignition control is the 50D50-843 model, not the U (which is the same but has a display screen on it rather than the simple red light indicator on mine). I will be using a multimeter to test all wires this morning (first snowy day of the season here in DC), and will try removing that jumper. I may try putting in a new ignition cable and even a new pilot/sensor assembly — but if that doesn't work I'm going to start getting bids on a new boiler. Will report back soon.
0 -
I would talk with White Rogers. I understand your frustration and it is winter now but hate to see you scrap a good boiler.
Maybe 703-339-8030 Dan Foley could help you. Give him a call
This should be a simple fix
0 -
The High Voltage wire will have some resistance, maybe something like 1000 Ohms per foot. Wiggle it around while testing it.
If your meter can measure microAmps. I'd be very curious about this;
National - U.S. Gas Boiler 45+ Years Old
Steam 300 SQ. FT. - EDR 347
One Pipe System0 -
@EBEBRATT-Ed @109A_5 @mattmia2 Well, folks, I am sorry to say that nothing worked. I tried recrimping all control wires, rechecking all ground wiring, replacing the pilot/sensor assembly (again) and putting in a new high-voltage ignition cable. Still getting false flame messages — although much less frequently. But having sunk another grand into it and with the holidays right around the corner I have reluctantly given up, and decided this morning to replace my (mostly) trusty Teledyne-Laars with a 166,000 BTU Weil-McLain. Breaks my heart, but I can honestly say I tried everything and so did several local contractors. Most of all, though, it was you folks with your decades of expertise who so generously helped me try to isolate the problem. I can never thank you enough, but at least will buy you a beer if we ever run into teach other IRL. And will donate to heatinghelp.com so it can continue to help so many people like me. Warm holiday wishes to you all.
0 -
Sorry that it didn't work out. Almost seems like something in the ignition control isn't compatable with the boiler for some reason.
Just yesterday I decided to trade in my 19-year-old PU truck. Still runs pretty good but the signs are there. A little more undependable etc and its going to need some stuff. I could fix it up, but whats the point? Body getting a little rot, gonna need tires and battery etc etc. Where do you stop. Sooner than later, you have to bite the bullett. At my age I need something I don't have to fiddle with. Just get in it and go. Will mis my 5 speed. Can't get those anymore.
Besides can't take the $$$ with me.
Merry Christmas!!I guess your paying for your present this year. You got 40 years out of it a good run.
1 -
Well said, @EBEBRATT-Ed !
0 -
Sorry to hear there is no good resolution. You don't live near an AM broadcast transmitter or some other odd device or situation that could cause interference with the ignition module ?
I find it hard to believe this could not be resolved. However if you are paying contractors to resolve an odd elusive issue that can get expensive quickly.
National - U.S. Gas Boiler 45+ Years Old
Steam 300 SQ. FT. - EDR 347
One Pipe System0 -
I hadn't thought about the possibility of electromagnetic interference @109A_5, but we don't live near any big emitters so I can safely rule that out. Looks like we'll never know the cause; I just hope it wasn't some 20-cent wire that went bad. And I look forward to not having to go down to the basement every winter night like I did for the last four years to see if that little blinking red light came on 🙂
0 -
I just hope it's not something simple like a building electrical issue. Like when the refrigerator turns on (or some other larger load) there is enough of a momentary brown out that it bothers the ignition module. Maybe if you have a 240 VAC electrical service put the boiler on the other phase.
National - U.S. Gas Boiler 45+ Years Old
Steam 300 SQ. FT. - EDR 347
One Pipe System0 -
I wonder if it could be the phasing of the 24 v transformer? Problems like this drive me nuts. I had something similar at my own house years ago and eventually gave up and reinstalled the old millivolt system.
0
Categories
- All Categories
- 87.4K THE MAIN WALL
- 3.3K A-C, Heat Pumps & Refrigeration
- 61 Biomass
- 430 Carbon Monoxide Awareness
- 121 Chimneys & Flues
- 2.1K Domestic Hot Water
- 5.9K Gas Heating
- 115 Geothermal
- 168 Indoor-Air Quality
- 3.8K Oil Heating
- 78 Pipe Deterioration
- 1K Plumbing
- 6.5K Radiant Heating
- 395 Solar
- 15.8K Strictly Steam
- 3.4K Thermostats and Controls
- 56 Water Quality
- 51 Industry Classes
- 50 Job Opportunities
- 18 Recall Announcements







