Where to connect Outdoor sensor on WM CGa4 PIDN Series 3 boiler
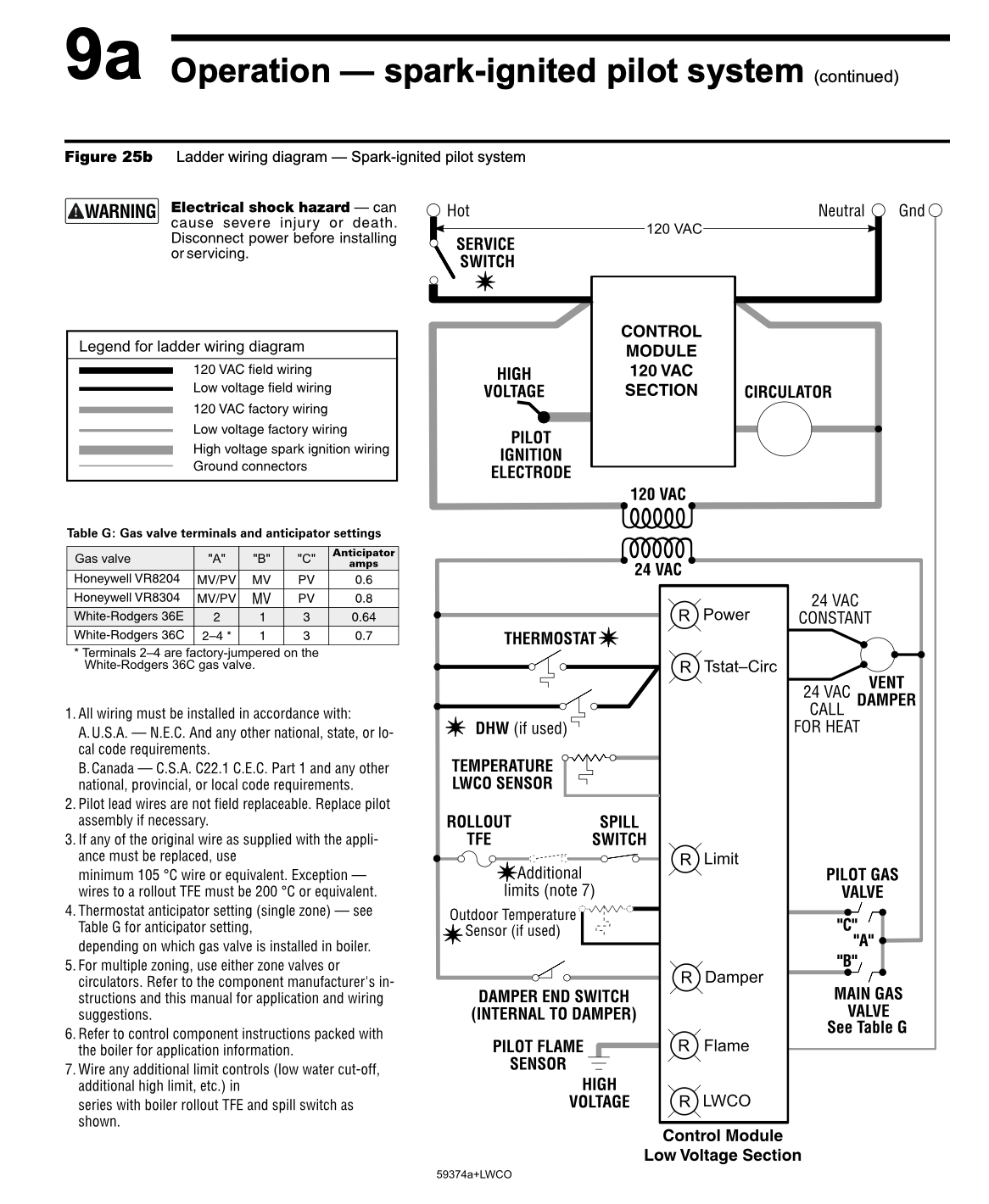
Hello, I am having difficulty finding information on how to connect the Outdoor Temperature Sensor Kit, 381-356-586 to CGa4-PIDN series 3 boiler control unit. There is no drect plug in where I can connect the harness provided with the kit and there are no instructions how to connect it. I have not found any information whether an outdoor reset kit is also reuqired. From what I could find, it would seem I should be able to connect the sensor to the contiol unit directly.
The control unit has ODT terminal for 1 wire which seems to be outdoor temperature sensor at C9-1 (same as P9-1 on the other wiring diagram), but I have no idea where I should plug in the second wire and whether C9-2 24VAC Common is the right spot (same as P9-2 on the other wiring diagram). Or I may be misreading the diagram all together.
Any heklp is apreciated and I am including pics of the diagram and control board.
Here is the manual diagram, there is no connection to the harness on the control board:
Here is the diagram from the boiler
And here is the pic of the control unit
Comments
-
I am guessing.
I think you connect to the orange plug at the top left corner of the control. But it looks like you already have a wire connected to the ODT terminal a red wire. I would guess the other ODT wire would connect to the common.
I will check further. Where does that red wire go now?
0 -
It sure looks like the two right side terminals 1 &2, on the orange block?
Bob "hot rod" Rohr
trainer for Caleffi NA
Living the hydronic dream0 -
Yes I think the orange block 1 and 2 (C9-1 and C9-2) right now, the sensor is connected to 1 (red wire) and 4 (white wire) so moving the white wire from 4 to 2.
0 -
-
You are correct, apologies, it is the Series 4 boiler with the new Unity-CI control without the plug in terminal for the outdoor sensor
0 -
Categories
- All Categories
- 87.4K THE MAIN WALL
- 3.3K A-C, Heat Pumps & Refrigeration
- 61 Biomass
- 430 Carbon Monoxide Awareness
- 121 Chimneys & Flues
- 2.1K Domestic Hot Water
- 5.9K Gas Heating
- 115 Geothermal
- 168 Indoor-Air Quality
- 3.8K Oil Heating
- 78 Pipe Deterioration
- 1K Plumbing
- 6.5K Radiant Heating
- 395 Solar
- 15.8K Strictly Steam
- 3.4K Thermostats and Controls
- 56 Water Quality
- 51 Industry Classes
- 50 Job Opportunities
- 18 Recall Announcements














